- 易迪拓培训,专注于微波、射频、天线设计工程师的培养
开关电源功率变压器的设计方法
录入:edatop.com 点击:
1 开关电源功率变压器的特性
功率变压器是开关电源中非常重要的部件,它和普通电源变压器一样也是通过磁耦合来传输能量的。不过在这种功率变压器中实现磁耦合的磁路不是普通变压器中的硅钢片,而是在高频情况下工作的磁导率较高的铁氧体磁心或铍莫合金等磁性材料,其目的是为了获得较大的励磁电感、减小磁路中的功率损耗,使之能以最小的损耗和相位失真传输具有宽频带的脉冲能量。
图1(a)为加在脉冲变压器输入端的矩形脉冲波,图1(b)为输出端得到的输出波形,可以看出脉冲变压器带来的波形失真主要有以下几个方面:

图1脉冲变压器输入、输出波形(a)输入波形(b)输出波形
(1)上升沿和下降沿变得倾斜,即存在上升时间和下降时间;
(2)上升过程的末了时刻,有上冲,甚至出现振荡现象;
(3)下降过程的末了时刻,有下冲,也可能出现振荡波形;
(4)平顶部分是逐渐降落的。
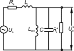
这些失真反映了实际脉冲变压器和理想变压器的差别,考虑到各种因素对波形的影响,可以得到如图2所示的脉冲变压器等效电路。
图中:Rsi——信号源Ui的内阻
Rp——一次绕组的电阻
Rm——磁心损耗(对铁氧体磁心,可以忽略)
T——理想变压器
Rso——二次绕组的电阻
RL——负载电阻
C1、C2——一次和二次绕组的等效分布电容
Lin、Lis——一次和二次绕组的漏感
Lm1——一次绕组电感,也叫励磁电感
n——理想变压器的匝数比,n=N1/N2

图2脉冲变压器的等效电路
将图2所示电路的二次回路折合到一次,做近似处理,合并某些参数,可得图3所示电路,漏感Li包括Lin和Lis,总分布电容C包括C1和C2;总电阻 RS包括Rsi、RP和Rso;Lm1是励磁电感,和前述的Lm1相同;RL′是RL等效到一次侧的阻值,RL′=RL/n2,折合后的输出电压U′o= Uo/n。
经过这样处理后,等效电路中只有5个元件,但在脉冲作用的各段时间内,每个元件并不都是同时起主要作用,我们知道任何一个脉冲波形可以分解成基波与许多谐波的叠加。脉冲的上升沿和下降沿包含着各种高频分量,而脉冲的平顶部分包含着各种低频分量。因此在上升、下降和平顶过程中,各元件(L、C等)表现出来的阻抗也不一样,因此我们把这一过程分成几个阶段来分析,分别找出各阶段起主要作用的元件,而忽略次要的因素。例如,当输入信号为矩形脉冲时,可以分3个阶段来分析,即上升阶段、平顶阶段和下降阶段。
(1)上升阶段
对于通常的正脉冲而言,上升阶段即脉冲前沿,信号中包含丰富的高频成分,当高频分量通过脉冲变压器时,在图3所示的等效电路中,C的容抗1/ωC很小,而Lm1的感抗ωLm1很大,相比起来,可将Lm1的作用忽略,而在串联的支路中,Li的作用即较为显著。于是可以把图3 所示的等效电路简化成图4所示的等效电路。

图3图2的等效电路

图4图3的简化电路
在这个电路中,频率越高,ωLi越大,而1/ωC越小,因而高频信号大多降在Li上,输出的高频分量就减少了,可见输入信号Usm前沿中所包含的高频分量就不能完全传输到输出端,频率越高的成分到达输出端越小,结果在输出端得到的波形前沿就和输入波形不同,即产生了失真。
要想减小这种波形失真,就要尽量减小分布电容C(应减小变压器一次绕组的匝数)。但又要得到一定的绕组电感量,所以需要用高磁导率的磁心。在绕制上也可以采取一些措施来减小分布电容,例如用分段绕法;为了减小漏感L1,可采用一、二次绕组交叠绕法等。
(2)平顶阶段
脉冲的平顶包含着各种低频分量。在低频情况下,并联在输出端的3个元件中,电容C的容抗1/ωC很大,因此电容C可以忽略。同时在串联支路中,Li的感抗ωLi很小,也可以略去。所以又可以把图3电路简化为图5所示的低频等效电路。信号源也可以等效成电动势为Usm的直流电源。
这里可用下述公式表达
U′o=(UsmRL′)e-T/τ/(Rs+RL′)
τ=Lm1(Rs+RL′)RsRL′
可见U′o为一下降的指数波形,其下降速度决定于时间常数τ,τ越大,下降越慢,即波形失真越小。为此,应尽量加大Lm1,而减小Rs和RL′,但这是有限的。如果Lm1太大,必然使绕组的匝数很多,这将导致绕组分布电容加大,致使脉冲上升沿变坏。

图5图3的低频等效电路

图6脉冲下降阶段的等效电路
(3)下降阶段
下降阶段的信号源相当于直流电源Usm串联的开关S由闭合到断开的阶段,它与上升阶段虽然是相对的过程,但有两个不同;一是电感Lm1中有励磁电流,并开始释放,因此Lm1不能略去;二是开关S断开后,Rs便不起作用,由此得出下降阶段的等效电路,见图6。
一般来说,在脉冲变压器平顶阶段以后,Lm1中存储了比较大的磁能,因此在开关断开后,会出现剧烈的振荡,并产生很大的下冲。为了消除下冲往往采用阻尼措施。
2 功率变压器的参数及公式
2.1变压器的基本参数
在磁路中,磁通集中的程度,称为磁通密度或磁感应强度,用B表示,单位是特斯拉(T),通常仍用高斯(GS)单位,1T=104GS。另一方面,产生磁通的磁力称为磁场强度,用符号H表示,单位是A/m
H=0.4πNI/li
式中:N——绕组匝数
I——电流强度
li——磁路长度
磁性材料的磁滞回线表示磁性材料被完全磁化和完全去磁化这一过程的磁特性变化。图7为一典型的磁化曲线。
由坐标0点到a点这段曲线称起始磁化曲线。
曲线中的一些关键点是十分重要的,BS:饱和磁通密度,Br:剩磁,HC:矫顽磁力。
当Br越接近于BS值时,磁滞曲线的形状越接近于矩形,见图8(a),同时矫顽磁力HC越大时,磁滞曲线越宽,这表明这种磁性材料的磁化特性越硬,表明这种材料为硬磁性材料。当Br和BS相差越大,矫顽磁力HC越小时,即磁滞曲线越瘦,表明这种材料为软磁性材料,脉冲变压器的磁心材料应选用软磁性材料,见图8(b)。

图7不带气隙的磁滞回线

图8硬/软磁性材料和磁滞回线
(a)硬磁材料(b)软磁材料
如果在磁心中开一个气隙,将建立起一个有气隙的磁路,它会改变磁路的有效长度。因为空气隙的磁导率为1,所以有效磁路长度le为
le=li+μilg
式中:li——磁性材料中的磁路长度
lg——空气隙的磁路长度
μi——磁性材料的磁导率
对一个给定安匝数,有空气隙磁心的磁通密度要比没有空气隙的磁通密度小。
2.2设计变压器的基本公式
为了确保变压器在磁化曲线的线性区工作,可用下式计算最大磁通密度(单位:T)
Bm=(Up×104)/KfNpSc
式中:Up——变压器一次绕组上所加电压(V)
f——脉冲变压器工作频率(Hz)
Np——变压器一次绕组匝数(匝)
Sc——磁心有效截面积(cm2)
K——系数,对正弦波为4.44,对矩形波为4.0
一般情况下,开关电源变压器的Bm值应选在比饱和磁通密度Bs低一些。
变压器输出功率可由下式计算(单位:W)
Po=1.16BmfjScSo×10-5
式中:j——导线电流密度(A/mm2)
Sc——磁心的有效截面积(cm2)
So——磁心的窗口面积(cm2)
3 对功率变压器的要求
(1)漏感要小
图9是双极性电路(半桥、全桥及推挽等)典型的电压、电流波形,变压器漏感储能引起的电压尖峰是功率开关管损坏的原因之一。

图9双极性功率变换器波形
功率开关管关断时电压尖峰的大小和集电极电路配置、电路关断条件以及漏感大小等因素有关,仅就变压器而言,减小漏感是十分重要的。
(2)避免瞬态饱和
一般工频电源变压器的工作磁通密度设计在B-H曲线接近拐点处,因而在通电瞬间由于变压器磁心的严重饱和而产生极大的浪涌电流。它衰减得很快,持续时间一般只有几个周期。对于脉冲变压器而言如果工作磁通密度选择较大,在通电瞬间就会发生磁饱和。由于脉冲变压器和功率开关管直接相连并加有较高的电压,脉冲变压器的饱和,即使是很短的几个周期,也会导致功率开关管的损坏,这是不允许的。所以一般在控制电路中都有软启动电路来解决这个问题。
(3)要考虑温度影响
开关电源的工作频率较高,要求磁心材料在工作频率下的功率损耗应尽可能小,随着工作温度的升高,饱和磁通密度的降低应尽量小。在设计和选用磁心材料时,除了关心其饱和磁通密度、损耗等常规参数外,还要特别注意它的温度特性。一般应按实际的工作温度来选择磁通密度的大小,一般铁氧体磁心的Bm值易受温度影响,按开关电源工作环境温度为40℃考虑,磁心温度可达60~80℃,一般选择Bm=0.2~0.4T,即2000~4000GS。
(4)合理进行结构设计
从结构上看,有下列几个因素应当给予考虑:
漏磁要小,减小绕组的漏感;
便于绕制,引出线及变压器安装要方便,以利于生产和维护;
便于散热。
4 磁心材料的选择
软磁铁氧体,由于具有价格低、适应性能和高频性能好等特点,而被广泛应用于开关电源中。
软磁铁氧体,常用的分为锰锌铁氧体和镍锌铁氧体两大系列,锰锌铁氧体的组成部分是Fe2O3,MnCO3,ZnO,它主要应用在1MHz以下的各类滤波器、电感器、变压器等,用途广泛。而镍锌铁氧体的组成部分是Fe2O3,NiO,ZnO等,主要用于1MHz以上的各种调感绕组、抗干扰磁珠、共用天线匹配器等。
在开关电源中应用最为广泛的是锰锌铁氧体磁心,而且视其用途不同,材料选择也不相同。用于电源输入滤波器部分的磁心多为高导磁率磁心,其材料牌号多为R4K~R10K,即相对磁导率为4000~10000左右的铁氧体磁心,而用于主变压器、输出滤波器等多为高饱和磁通密度的磁性材料,其Bs为0.5T(即5000GS)左右。
开关电源用铁氧体磁性材应满足以下要求:
(1)具有较高的饱和磁通密度Bs和较低的剩余磁通密度Br
磁通密度Bs的高低,对于变压器和绕制结果有一定影响。从理论上讲,Bs高,变压器的绕组匝数可以减小,铜损也随之减小。
在实际应用中,开关电源高频变换器的电路形式很多,对于变压器而言,其工作形式可分为两大类:
1)双极性。电路为半桥、全桥、推挽等。变压器一次绕组里正负半周励磁电流大小相等,方向相反,因此对于变压器磁心里的磁通变化,也是对称的上下移动,B的最大变化范围为△B=2Bm,磁心中的直流分量基本抵消。
2)单极性。电路为单端正激、单端反激等,变压器一次绕组在1个周期内加上1个单向的方波脉冲电压(单端反激式如此)。变压器磁心单向励磁,磁通密度在最大值Bm到剩余磁通密度Br之间变化,见图7,这时的△B=Bm-Br,若减小Br,增大饱和磁通密度Bs,可以提高△B,降低匝数,减小铜耗。
(2)在高频下具有较低的功率损耗
铁氧体的功率损耗,不仅影响电源输出效率,同时会导致磁心发热,波形畸变等不良后果。
变压器的发热问题,在实际应用中极为普遍,它主要是由变压器的铜损和磁心损耗引起的。如果在设计变压器时,Bm选择过低,绕组匝数过多,就会导致绕组发热,并同时向磁心传输热量,使磁心发热。反之,若磁心发热为主体,也会导致绕组发热。
选择铁氧体材料时,要求功率损耗随温度的变化呈负温度系数关系。这是因为,假如磁心损耗为发热主体,使变压器温度上升,而温度上升又导致磁心损耗进一步增大,从而形成恶性循环,最终将使功率管和变压器及其他一些元件烧毁。因此国内外在研制功率铁氧体时,必须解决磁性材料本身功率损耗负温度系数问题,这也是电源用磁性材料的一个显著特点,日本TDK公司的PC40及国产的R2KB等材料均能满足这一要求。
(3)适中的磁导率
相对磁导率究竟选取多少合适呢?这要根据实际线路的开关频率来决定,一般相对磁导率为2000的材料,其适用频率在300kHz以下,有时也可以高些,但最高不能高于500kHz。对于高于这一频段的材料,应选择磁导率偏低一点的磁性材料,一般为1300左右。
(4)较高的居里温度
居里温度是表示磁性材料失去磁特性的温度,一般材料的居里温度在200℃以上,但是变压器的实际工作温度不应高于80℃,这是因为在100℃以上时,其饱和磁通密度Bs已跌至常温时的70%。因此过高的工作温度会使磁心的饱和磁通密度跌落的更严重。再者,当高于100℃时,其功耗已经呈正温度系数,会导致恶性循环。对于R2KB2材料,其允许功耗对应的温度已经达到110℃,居里温度高达240℃,满足高温使用要求。
5 开关电源功率变压器的设计方法
5.1双极性开关电源变压器的计算
设计前应确定下列基本条件:电路形式,开关工作频率,变压器输入电压幅值,开关功率管最大导通时间,变压器输出电压电流,输出侧整流电路形式,对漏感及分布电容的要求,工作环境条件等。
(1)确定磁心尺寸
1)求变压器计算功率Pt
Pt的大小取决于变压器输出功率及输出侧整流电路形式:
全桥电路,桥式整流:Pt=(1+1/n)Po半桥电路,双半波整流:Pt=(1/n+)Po 推挽电路,双半波整流:Pt=(/n+)Po式中:Po=UoIo,直流输出功率。Pt可在(2~2.8)Po范围内变化,Po及Pt均以瓦(W)为单位。n=N1/N2, 变压匝数比。
2)确定磁通密度Bm
Bm与磁心的材料、结构形式及工作频率等因素有关,又要考虑温升及磁心不饱和等要求。对于铁氧体磁心多采用0.3T(特斯拉)左右。
3)计算磁心面积乘积Sp
Sp等于磁心截面积Sc(cm2)及窗口截面积So(cm2)的乘积,即
Sp=ScSo=[(Pt×104)/4BmfKwKj]1.16(cm4)
式中:Kw——窗口占空系数,与导线粗细、绕制工艺及漏感和分布电容的要求等有关。一般低压电源变压器取Kw=0.2~0.4。
Kj——电流密度系数,与铁心形式、温升要求等有关。对于常用的E型磁心,当温升要求为25℃时,Kj=366;要求50℃时,Kj=534。环型磁心,当温升要求为25℃时,Kj=250;要求50℃时,Kj=365。
由Sp值选择适用于或接近于Sp的磁性材料、结构形式和磁心规格。
(2)计算绕组匝数
1)一次绕组匝数:N1=(Up1ton×10-2)/2BmSc(匝)
式中:Up1——一次绕组输入电压幅值(V)
ton——一次绕组输入电压脉冲宽度(μs)
2)二次绕组匝数:N2=(Up2N1)/Up1(匝)
……
Ni=(UpiN1)/Up1(匝)
式中:Up2…Upi——二次绕组输出电压幅值(V)
(3)选择绕组导线
导线截面积Smi=Ii/j(mm2)
式中:Ii——各绕组电流有效值(A)
j——电流密度
j=KjSp-0.14×10-2(A/mm2)
(4)损耗计算
1)绕组铜损Pmi=Ii2Rai(W)
式中:Rai——各绕组交流电阻(Ω),
Ra=KrRd,Rd——导线直流电阻,Kr——趋表系数,Kr=(D/2)2/(D-△)·△,D——圆导线直径(mm),△——穿透深度(mm),圆铜导线△=66.1/f0.5(f:电流频率,Hz)
变压器为多绕组时,总铜损为
Pm= Ii2Rai(W)
2)磁心损耗Pc=PcoGc
式中:Pco——在工作频率及工作磁通密度情况下单
位质量的磁心损耗(W/kg)
Gc——磁心质量(kg)
3)变压器总损耗Pz=Pm+Pc(W)
(5)温升计算
变压器由于损耗转变成热量,使变压器温度上升,其温升数值与变压器表面积ST有关
式中:Sp——磁心面积乘积(cm4)
KS——表面积系数,E型磁心KS=41.3,环型磁心KS=50.9
5.2单极性开关电源变压器的计算
设计前应确定下列基本条件:电路形式,工作频率,变换器输入最高和最低电压,输出电压电流,开关管最大导通时间,对漏感及分布电容的要求,工作环境条件等。
(1)单端反激式计算
1)变压器输入输出电压
一次绕组输入电压幅值UP1=Ui-△U1
式中:Ui——变换器输入直流电压(V)
△U1——开关管及线路压降(V)
二次绕组输出电压幅值UP2=U02+△U2
……
UPi=U0i+△Ui
式中:U02…U0i——直流输出电压(V)
△U2…△Ui——整流管及线路压降(V)
2)一次绕组电感 临界值(H)
式中:n——变压器匝数比n=tonUp1/toffUp2
ton——额定输入电压时开关管导通时间(μs)
toff——开关管截止时间(μs)
T——开关电源工作周期(μs),T=1/f,f:工作频率(Hz)
Po——变压器输出直流功率(W)
通常要求一次绕组实际电感Lp1≥Lmin
3)确定工作磁通密度
单端反激式变压器工作在单向脉冲状态,一般取饱和磁通密度值(Bs)的一半,即脉冲磁通密度增量
△Bm=BS/2(T)
4)计算磁心面积乘积
Sp=392Lp1Ip1D12/△Bm(cm4)
式中:Ip1——一次绕组峰值电流
Ip1=2Po/Up1minDmax(A)
式中:Up1min——变压器输入最低电压幅值(V)
Dmax——最大占空比,Dmax=tonmax/T
D1——一次绕组导线直径(mm),由一次
绕组电流有效值I1确定,单向脉冲时
I1=Ip1(ton/T)0.5
5)空气隙长度
lg=0.4πLp1Ip12/△Bm2SC(cm)
6)绕组匝数计算
一次绕组,有气隙时
N1=△Bmlg×104/0.4πIp1(匝) 无气隙时(匝)
式中:LC——磁心磁路长度(cm)
μe——磁心有效磁导率,由工作的磁通密度和直流磁场强度及磁性材料决定,查阅磁心规格得出。
二次绕组N2=[Up2(1-Dmax)/Up1minDmax]N1
……
Ni=[Upi(1-Dmax)/UpiminDmax]N1
(2)单端正激式计算
单端正激式电路工作的特点是一、二次绕组同时工作,另加去磁绕组,因此计算方法与双极性电路类似。
1)二次绕组峰值电流等于直流输出电流,即IP2=I02
2)二次绕组电压幅值
Up2=(Uo2+△U2)/D(V)
式中:Uo2——输出直流电压(V)
△U2——整流管及线路压降(V)
D——额定工作状态时的占空比D=ton/T
3)变压器输出功率
P2= (DUp2Ip2)(W)
式中:Up2——变压器输出电压幅值(V)
Ip2——二次绕组峰值电流(A)
4)确定磁心体积
Ve=(12.5βP2×103)/f(cm3)
式中:β——计算系数,工作频率f=30~50kHz时,β=0.3
由Ve值选择接近尺寸的磁心。
5)一次绕组匝数
N1=(Up1ton×10-2)/f(匝)
式中:Up1——变压器输入额定电压幅值(V)
6)二次绕组匝数N2=(Up2/Up1)N1
……
Ni=UpiN1/Up1
7)去磁绕组匝数NH=N1
8)绕组电流有效值 二次侧:I2=Ip2
一次侧:I1=Up2I2/Up1
去磁:IH=(5~10)%I1
***
上述仅是常规计算方法,由于所选用材料及工艺的不同,有些数据应做相应的调整。
还应做漏感、分布电容、温升及窗口校核等计算,这些计算较繁琐,经验性较强,必要时请阅专著。
功率变压器是开关电源中非常重要的部件,它和普通电源变压器一样也是通过磁耦合来传输能量的。不过在这种功率变压器中实现磁耦合的磁路不是普通变压器中的硅钢片,而是在高频情况下工作的磁导率较高的铁氧体磁心或铍莫合金等磁性材料,其目的是为了获得较大的励磁电感、减小磁路中的功率损耗,使之能以最小的损耗和相位失真传输具有宽频带的脉冲能量。
图1(a)为加在脉冲变压器输入端的矩形脉冲波,图1(b)为输出端得到的输出波形,可以看出脉冲变压器带来的波形失真主要有以下几个方面:

图1脉冲变压器输入、输出波形(a)输入波形(b)输出波形
(1)上升沿和下降沿变得倾斜,即存在上升时间和下降时间;
(2)上升过程的末了时刻,有上冲,甚至出现振荡现象;
(3)下降过程的末了时刻,有下冲,也可能出现振荡波形;
(4)平顶部分是逐渐降落的。
这些失真反映了实际脉冲变压器和理想变压器的差别,考虑到各种因素对波形的影响,可以得到如图2所示的脉冲变压器等效电路。
图中:Rsi——信号源Ui的内阻
Rp——一次绕组的电阻
Rm——磁心损耗(对铁氧体磁心,可以忽略)
T——理想变压器
Rso——二次绕组的电阻
RL——负载电阻
C1、C2——一次和二次绕组的等效分布电容
Lin、Lis——一次和二次绕组的漏感
Lm1——一次绕组电感,也叫励磁电感
n——理想变压器的匝数比,n=N1/N2

图2脉冲变压器的等效电路
将图2所示电路的二次回路折合到一次,做近似处理,合并某些参数,可得图3所示电路,漏感Li包括Lin和Lis,总分布电容C包括C1和C2;总电阻 RS包括Rsi、RP和Rso;Lm1是励磁电感,和前述的Lm1相同;RL′是RL等效到一次侧的阻值,RL′=RL/n2,折合后的输出电压U′o= Uo/n。
经过这样处理后,等效电路中只有5个元件,但在脉冲作用的各段时间内,每个元件并不都是同时起主要作用,我们知道任何一个脉冲波形可以分解成基波与许多谐波的叠加。脉冲的上升沿和下降沿包含着各种高频分量,而脉冲的平顶部分包含着各种低频分量。因此在上升、下降和平顶过程中,各元件(L、C等)表现出来的阻抗也不一样,因此我们把这一过程分成几个阶段来分析,分别找出各阶段起主要作用的元件,而忽略次要的因素。例如,当输入信号为矩形脉冲时,可以分3个阶段来分析,即上升阶段、平顶阶段和下降阶段。
(1)上升阶段
对于通常的正脉冲而言,上升阶段即脉冲前沿,信号中包含丰富的高频成分,当高频分量通过脉冲变压器时,在图3所示的等效电路中,C的容抗1/ωC很小,而Lm1的感抗ωLm1很大,相比起来,可将Lm1的作用忽略,而在串联的支路中,Li的作用即较为显著。于是可以把图3 所示的等效电路简化成图4所示的等效电路。

图3图2的等效电路

图4图3的简化电路
在这个电路中,频率越高,ωLi越大,而1/ωC越小,因而高频信号大多降在Li上,输出的高频分量就减少了,可见输入信号Usm前沿中所包含的高频分量就不能完全传输到输出端,频率越高的成分到达输出端越小,结果在输出端得到的波形前沿就和输入波形不同,即产生了失真。
要想减小这种波形失真,就要尽量减小分布电容C(应减小变压器一次绕组的匝数)。但又要得到一定的绕组电感量,所以需要用高磁导率的磁心。在绕制上也可以采取一些措施来减小分布电容,例如用分段绕法;为了减小漏感L1,可采用一、二次绕组交叠绕法等。
(2)平顶阶段
脉冲的平顶包含着各种低频分量。在低频情况下,并联在输出端的3个元件中,电容C的容抗1/ωC很大,因此电容C可以忽略。同时在串联支路中,Li的感抗ωLi很小,也可以略去。所以又可以把图3电路简化为图5所示的低频等效电路。信号源也可以等效成电动势为Usm的直流电源。
这里可用下述公式表达
U′o=(UsmRL′)e-T/τ/(Rs+RL′)
τ=Lm1(Rs+RL′)RsRL′
可见U′o为一下降的指数波形,其下降速度决定于时间常数τ,τ越大,下降越慢,即波形失真越小。为此,应尽量加大Lm1,而减小Rs和RL′,但这是有限的。如果Lm1太大,必然使绕组的匝数很多,这将导致绕组分布电容加大,致使脉冲上升沿变坏。

图5图3的低频等效电路

图6脉冲下降阶段的等效电路
(3)下降阶段
下降阶段的信号源相当于直流电源Usm串联的开关S由闭合到断开的阶段,它与上升阶段虽然是相对的过程,但有两个不同;一是电感Lm1中有励磁电流,并开始释放,因此Lm1不能略去;二是开关S断开后,Rs便不起作用,由此得出下降阶段的等效电路,见图6。
一般来说,在脉冲变压器平顶阶段以后,Lm1中存储了比较大的磁能,因此在开关断开后,会出现剧烈的振荡,并产生很大的下冲。为了消除下冲往往采用阻尼措施。
2 功率变压器的参数及公式
2.1变压器的基本参数
在磁路中,磁通集中的程度,称为磁通密度或磁感应强度,用B表示,单位是特斯拉(T),通常仍用高斯(GS)单位,1T=104GS。另一方面,产生磁通的磁力称为磁场强度,用符号H表示,单位是A/m
H=0.4πNI/li
式中:N——绕组匝数
I——电流强度
li——磁路长度
磁性材料的磁滞回线表示磁性材料被完全磁化和完全去磁化这一过程的磁特性变化。图7为一典型的磁化曲线。
由坐标0点到a点这段曲线称起始磁化曲线。
曲线中的一些关键点是十分重要的,BS:饱和磁通密度,Br:剩磁,HC:矫顽磁力。
当Br越接近于BS值时,磁滞曲线的形状越接近于矩形,见图8(a),同时矫顽磁力HC越大时,磁滞曲线越宽,这表明这种磁性材料的磁化特性越硬,表明这种材料为硬磁性材料。当Br和BS相差越大,矫顽磁力HC越小时,即磁滞曲线越瘦,表明这种材料为软磁性材料,脉冲变压器的磁心材料应选用软磁性材料,见图8(b)。

图7不带气隙的磁滞回线

图8硬/软磁性材料和磁滞回线
(a)硬磁材料(b)软磁材料
如果在磁心中开一个气隙,将建立起一个有气隙的磁路,它会改变磁路的有效长度。因为空气隙的磁导率为1,所以有效磁路长度le为
le=li+μilg
式中:li——磁性材料中的磁路长度
lg——空气隙的磁路长度
μi——磁性材料的磁导率
对一个给定安匝数,有空气隙磁心的磁通密度要比没有空气隙的磁通密度小。
2.2设计变压器的基本公式
为了确保变压器在磁化曲线的线性区工作,可用下式计算最大磁通密度(单位:T)
Bm=(Up×104)/KfNpSc
式中:Up——变压器一次绕组上所加电压(V)
f——脉冲变压器工作频率(Hz)
Np——变压器一次绕组匝数(匝)
Sc——磁心有效截面积(cm2)
K——系数,对正弦波为4.44,对矩形波为4.0
一般情况下,开关电源变压器的Bm值应选在比饱和磁通密度Bs低一些。
变压器输出功率可由下式计算(单位:W)
Po=1.16BmfjScSo×10-5
式中:j——导线电流密度(A/mm2)
Sc——磁心的有效截面积(cm2)
So——磁心的窗口面积(cm2)
3 对功率变压器的要求
(1)漏感要小
图9是双极性电路(半桥、全桥及推挽等)典型的电压、电流波形,变压器漏感储能引起的电压尖峰是功率开关管损坏的原因之一。

图9双极性功率变换器波形
功率开关管关断时电压尖峰的大小和集电极电路配置、电路关断条件以及漏感大小等因素有关,仅就变压器而言,减小漏感是十分重要的。
(2)避免瞬态饱和
一般工频电源变压器的工作磁通密度设计在B-H曲线接近拐点处,因而在通电瞬间由于变压器磁心的严重饱和而产生极大的浪涌电流。它衰减得很快,持续时间一般只有几个周期。对于脉冲变压器而言如果工作磁通密度选择较大,在通电瞬间就会发生磁饱和。由于脉冲变压器和功率开关管直接相连并加有较高的电压,脉冲变压器的饱和,即使是很短的几个周期,也会导致功率开关管的损坏,这是不允许的。所以一般在控制电路中都有软启动电路来解决这个问题。
(3)要考虑温度影响
开关电源的工作频率较高,要求磁心材料在工作频率下的功率损耗应尽可能小,随着工作温度的升高,饱和磁通密度的降低应尽量小。在设计和选用磁心材料时,除了关心其饱和磁通密度、损耗等常规参数外,还要特别注意它的温度特性。一般应按实际的工作温度来选择磁通密度的大小,一般铁氧体磁心的Bm值易受温度影响,按开关电源工作环境温度为40℃考虑,磁心温度可达60~80℃,一般选择Bm=0.2~0.4T,即2000~4000GS。
(4)合理进行结构设计
从结构上看,有下列几个因素应当给予考虑:
漏磁要小,减小绕组的漏感;
便于绕制,引出线及变压器安装要方便,以利于生产和维护;
便于散热。
4 磁心材料的选择
软磁铁氧体,由于具有价格低、适应性能和高频性能好等特点,而被广泛应用于开关电源中。
软磁铁氧体,常用的分为锰锌铁氧体和镍锌铁氧体两大系列,锰锌铁氧体的组成部分是Fe2O3,MnCO3,ZnO,它主要应用在1MHz以下的各类滤波器、电感器、变压器等,用途广泛。而镍锌铁氧体的组成部分是Fe2O3,NiO,ZnO等,主要用于1MHz以上的各种调感绕组、抗干扰磁珠、共用天线匹配器等。
在开关电源中应用最为广泛的是锰锌铁氧体磁心,而且视其用途不同,材料选择也不相同。用于电源输入滤波器部分的磁心多为高导磁率磁心,其材料牌号多为R4K~R10K,即相对磁导率为4000~10000左右的铁氧体磁心,而用于主变压器、输出滤波器等多为高饱和磁通密度的磁性材料,其Bs为0.5T(即5000GS)左右。
开关电源用铁氧体磁性材应满足以下要求:
(1)具有较高的饱和磁通密度Bs和较低的剩余磁通密度Br
磁通密度Bs的高低,对于变压器和绕制结果有一定影响。从理论上讲,Bs高,变压器的绕组匝数可以减小,铜损也随之减小。
在实际应用中,开关电源高频变换器的电路形式很多,对于变压器而言,其工作形式可分为两大类:
1)双极性。电路为半桥、全桥、推挽等。变压器一次绕组里正负半周励磁电流大小相等,方向相反,因此对于变压器磁心里的磁通变化,也是对称的上下移动,B的最大变化范围为△B=2Bm,磁心中的直流分量基本抵消。
2)单极性。电路为单端正激、单端反激等,变压器一次绕组在1个周期内加上1个单向的方波脉冲电压(单端反激式如此)。变压器磁心单向励磁,磁通密度在最大值Bm到剩余磁通密度Br之间变化,见图7,这时的△B=Bm-Br,若减小Br,增大饱和磁通密度Bs,可以提高△B,降低匝数,减小铜耗。
(2)在高频下具有较低的功率损耗
铁氧体的功率损耗,不仅影响电源输出效率,同时会导致磁心发热,波形畸变等不良后果。
变压器的发热问题,在实际应用中极为普遍,它主要是由变压器的铜损和磁心损耗引起的。如果在设计变压器时,Bm选择过低,绕组匝数过多,就会导致绕组发热,并同时向磁心传输热量,使磁心发热。反之,若磁心发热为主体,也会导致绕组发热。
选择铁氧体材料时,要求功率损耗随温度的变化呈负温度系数关系。这是因为,假如磁心损耗为发热主体,使变压器温度上升,而温度上升又导致磁心损耗进一步增大,从而形成恶性循环,最终将使功率管和变压器及其他一些元件烧毁。因此国内外在研制功率铁氧体时,必须解决磁性材料本身功率损耗负温度系数问题,这也是电源用磁性材料的一个显著特点,日本TDK公司的PC40及国产的R2KB等材料均能满足这一要求。
(3)适中的磁导率
相对磁导率究竟选取多少合适呢?这要根据实际线路的开关频率来决定,一般相对磁导率为2000的材料,其适用频率在300kHz以下,有时也可以高些,但最高不能高于500kHz。对于高于这一频段的材料,应选择磁导率偏低一点的磁性材料,一般为1300左右。
(4)较高的居里温度
居里温度是表示磁性材料失去磁特性的温度,一般材料的居里温度在200℃以上,但是变压器的实际工作温度不应高于80℃,这是因为在100℃以上时,其饱和磁通密度Bs已跌至常温时的70%。因此过高的工作温度会使磁心的饱和磁通密度跌落的更严重。再者,当高于100℃时,其功耗已经呈正温度系数,会导致恶性循环。对于R2KB2材料,其允许功耗对应的温度已经达到110℃,居里温度高达240℃,满足高温使用要求。
5 开关电源功率变压器的设计方法
5.1双极性开关电源变压器的计算
设计前应确定下列基本条件:电路形式,开关工作频率,变压器输入电压幅值,开关功率管最大导通时间,变压器输出电压电流,输出侧整流电路形式,对漏感及分布电容的要求,工作环境条件等。
(1)确定磁心尺寸
1)求变压器计算功率Pt
Pt的大小取决于变压器输出功率及输出侧整流电路形式:
全桥电路,桥式整流:Pt=(1+1/n)Po半桥电路,双半波整流:Pt=(1/n+)Po 推挽电路,双半波整流:Pt=(/n+)Po式中:Po=UoIo,直流输出功率。Pt可在(2~2.8)Po范围内变化,Po及Pt均以瓦(W)为单位。n=N1/N2, 变压匝数比。
2)确定磁通密度Bm
Bm与磁心的材料、结构形式及工作频率等因素有关,又要考虑温升及磁心不饱和等要求。对于铁氧体磁心多采用0.3T(特斯拉)左右。
3)计算磁心面积乘积Sp
Sp等于磁心截面积Sc(cm2)及窗口截面积So(cm2)的乘积,即
Sp=ScSo=[(Pt×104)/4BmfKwKj]1.16(cm4)
式中:Kw——窗口占空系数,与导线粗细、绕制工艺及漏感和分布电容的要求等有关。一般低压电源变压器取Kw=0.2~0.4。
Kj——电流密度系数,与铁心形式、温升要求等有关。对于常用的E型磁心,当温升要求为25℃时,Kj=366;要求50℃时,Kj=534。环型磁心,当温升要求为25℃时,Kj=250;要求50℃时,Kj=365。
由Sp值选择适用于或接近于Sp的磁性材料、结构形式和磁心规格。
(2)计算绕组匝数
1)一次绕组匝数:N1=(Up1ton×10-2)/2BmSc(匝)
式中:Up1——一次绕组输入电压幅值(V)
ton——一次绕组输入电压脉冲宽度(μs)
2)二次绕组匝数:N2=(Up2N1)/Up1(匝)
……
Ni=(UpiN1)/Up1(匝)
式中:Up2…Upi——二次绕组输出电压幅值(V)
(3)选择绕组导线
导线截面积Smi=Ii/j(mm2)
式中:Ii——各绕组电流有效值(A)
j——电流密度
j=KjSp-0.14×10-2(A/mm2)
(4)损耗计算
1)绕组铜损Pmi=Ii2Rai(W)
式中:Rai——各绕组交流电阻(Ω),
Ra=KrRd,Rd——导线直流电阻,Kr——趋表系数,Kr=(D/2)2/(D-△)·△,D——圆导线直径(mm),△——穿透深度(mm),圆铜导线△=66.1/f0.5(f:电流频率,Hz)
变压器为多绕组时,总铜损为
Pm= Ii2Rai(W)
2)磁心损耗Pc=PcoGc
式中:Pco——在工作频率及工作磁通密度情况下单
位质量的磁心损耗(W/kg)
Gc——磁心质量(kg)
3)变压器总损耗Pz=Pm+Pc(W)
(5)温升计算
变压器由于损耗转变成热量,使变压器温度上升,其温升数值与变压器表面积ST有关
式中:Sp——磁心面积乘积(cm4)
KS——表面积系数,E型磁心KS=41.3,环型磁心KS=50.9
5.2单极性开关电源变压器的计算
设计前应确定下列基本条件:电路形式,工作频率,变换器输入最高和最低电压,输出电压电流,开关管最大导通时间,对漏感及分布电容的要求,工作环境条件等。
(1)单端反激式计算
1)变压器输入输出电压
一次绕组输入电压幅值UP1=Ui-△U1
式中:Ui——变换器输入直流电压(V)
△U1——开关管及线路压降(V)
二次绕组输出电压幅值UP2=U02+△U2
……
UPi=U0i+△Ui
式中:U02…U0i——直流输出电压(V)
△U2…△Ui——整流管及线路压降(V)
2)一次绕组电感 临界值(H)
式中:n——变压器匝数比n=tonUp1/toffUp2
ton——额定输入电压时开关管导通时间(μs)
toff——开关管截止时间(μs)
T——开关电源工作周期(μs),T=1/f,f:工作频率(Hz)
Po——变压器输出直流功率(W)
通常要求一次绕组实际电感Lp1≥Lmin
3)确定工作磁通密度
单端反激式变压器工作在单向脉冲状态,一般取饱和磁通密度值(Bs)的一半,即脉冲磁通密度增量
△Bm=BS/2(T)
4)计算磁心面积乘积
Sp=392Lp1Ip1D12/△Bm(cm4)
式中:Ip1——一次绕组峰值电流
Ip1=2Po/Up1minDmax(A)
式中:Up1min——变压器输入最低电压幅值(V)
Dmax——最大占空比,Dmax=tonmax/T
D1——一次绕组导线直径(mm),由一次
绕组电流有效值I1确定,单向脉冲时
I1=Ip1(ton/T)0.5
5)空气隙长度
lg=0.4πLp1Ip12/△Bm2SC(cm)
6)绕组匝数计算
一次绕组,有气隙时
N1=△Bmlg×104/0.4πIp1(匝) 无气隙时(匝)
式中:LC——磁心磁路长度(cm)
μe——磁心有效磁导率,由工作的磁通密度和直流磁场强度及磁性材料决定,查阅磁心规格得出。
二次绕组N2=[Up2(1-Dmax)/Up1minDmax]N1
……
Ni=[Upi(1-Dmax)/UpiminDmax]N1
(2)单端正激式计算
单端正激式电路工作的特点是一、二次绕组同时工作,另加去磁绕组,因此计算方法与双极性电路类似。
1)二次绕组峰值电流等于直流输出电流,即IP2=I02
2)二次绕组电压幅值
Up2=(Uo2+△U2)/D(V)
式中:Uo2——输出直流电压(V)
△U2——整流管及线路压降(V)
D——额定工作状态时的占空比D=ton/T
3)变压器输出功率
P2= (DUp2Ip2)(W)
式中:Up2——变压器输出电压幅值(V)
Ip2——二次绕组峰值电流(A)
4)确定磁心体积
Ve=(12.5βP2×103)/f(cm3)
式中:β——计算系数,工作频率f=30~50kHz时,β=0.3
由Ve值选择接近尺寸的磁心。
5)一次绕组匝数
N1=(Up1ton×10-2)/f(匝)
式中:Up1——变压器输入额定电压幅值(V)
6)二次绕组匝数N2=(Up2/Up1)N1
……
Ni=UpiN1/Up1
7)去磁绕组匝数NH=N1
8)绕组电流有效值 二次侧:I2=Ip2
一次侧:I1=Up2I2/Up1
去磁:IH=(5~10)%I1
***
上述仅是常规计算方法,由于所选用材料及工艺的不同,有些数据应做相应的调整。
还应做漏感、分布电容、温升及窗口校核等计算,这些计算较繁琐,经验性较强,必要时请阅专著。
射频工程师养成培训教程套装,助您快速成为一名优秀射频工程师...
射频和天线工程师培训课程详情>>

