- 易迪拓培训,专注于微波、射频、天线设计工程师的培养
硅光电池组成的太阳能光控开关
录入:edatop.com 点击:

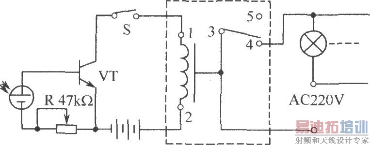
该电路由晶硅电池(光电池)、继电器、可调电阻、三极管、9V直流电源、手动开关等构成。继电器主接点1、2为线圈接点,3、4接常闭触点,3、5接常开触点,其中3、4、5与负载电路相连。当光照大于220lm时,将S处于闭合位置,电源电压使三极管正偏导通,继电器吸合,使控制负载的常闭触点3、4断开,常开触点3、5闭合,使路灯或灯塔回路断开,将其熄灭。当遇着阴雨天,光照恰在220lm以下值,且路灯处于熄灭状态时,需要将置位开关S断开,继电器释放,使电路恢复原始状态。
元器件选择:非晶硅电池采用6个导通单元、37.82cm2,引出正负极。VT选择3DG6型号。继电器采用高灵敏度的,其动作电压为9V,内阻在300Ω~2kΩ均可用。
射频工程师养成培训教程套装,助您快速成为一名优秀射频工程师...
天线设计工程师培训课程套装,资深专家授课,让天线设计不再难...
上一篇:单级高功率因数调光式荧光灯电子镇流器设计
下一篇:太阳能自动跟踪控制电路
射频和天线工程师培训课程详情>>

