- 易迪拓培训,专注于微波、射频、天线设计工程师的培养
开关稳压电源的过流保护电路
录入:edatop.com 点击:
过电流保护电路:

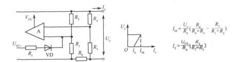
フ形过电流保护电路:


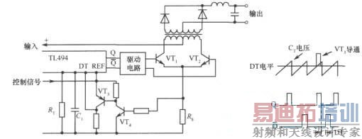
开关晶体管的发射接入电阻检测过电流:



フ形过电流保护电路:


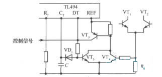
开关晶体管的发射接入电阻检测过电流:


射频工程师养成培训教程套装,助您快速成为一名优秀射频工程师...
天线设计工程师培训课程套装,资深专家授课,让天线设计不再难...
上一篇:硅光电池组成的光控闪光装置
下一篇:串联稳压电源的短路与过载保护电路
射频和天线工程师培训课程详情>>

