- 易迪拓培训,专注于微波、射频、天线设计工程师的培养
串联稳压电源的短路与过载保护电路
录入:edatop.com 点击:
采用二极管的限流型保护电路:

采用稳压二极管的保护电路:

采用晶体三极管的保护电路:

减流型保护电路:

采用场效应管的保护电路:


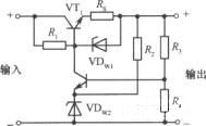
采用稳压二极管的保护电路:

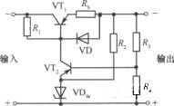
采用晶体三极管的保护电路:

减流型保护电路:

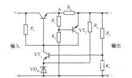
采用场效应管的保护电路:

射频工程师养成培训教程套装,助您快速成为一名优秀射频工程师...
天线设计工程师培训课程套装,资深专家授课,让天线设计不再难...
上一篇:开关稳压电源的过流保护电路
下一篇:过压保护电路集
射频和天线工程师培训课程详情>>

