- 易迪拓培训,专注于微波、射频、天线设计工程师的培养
过压保护电路集
录入:edatop.com 点击:
晶体管与继电器等构成的过压保护电路1:

晶体管与继电器等构成的过压保护电路2:

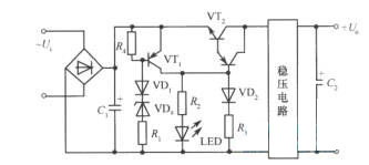
晶体管等构成的过压保护电路:

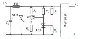
熔断丝与可控硅构成的过压保护电路

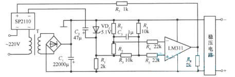
采用TIA31精密基准源等构成的过压保护电路:

利用过压产生过热的原理进行过压保护的电路:


晶体管与继电器等构成的过压保护电路2:

晶体管等构成的过压保护电路:

熔断丝与可控硅构成的过压保护电路

采用TIA31精密基准源等构成的过压保护电路:

利用过压产生过热的原理进行过压保护的电路:

射频工程师养成培训教程套装,助您快速成为一名优秀射频工程师...
天线设计工程师培训课程套装,资深专家授课,让天线设计不再难...
上一篇:串联稳压电源的短路与过载保护电路
下一篇:高频开关充电电源组成方框
射频和天线工程师培训课程详情>>

