- 易迪拓培训,专注于微波、射频、天线设计工程师的培养
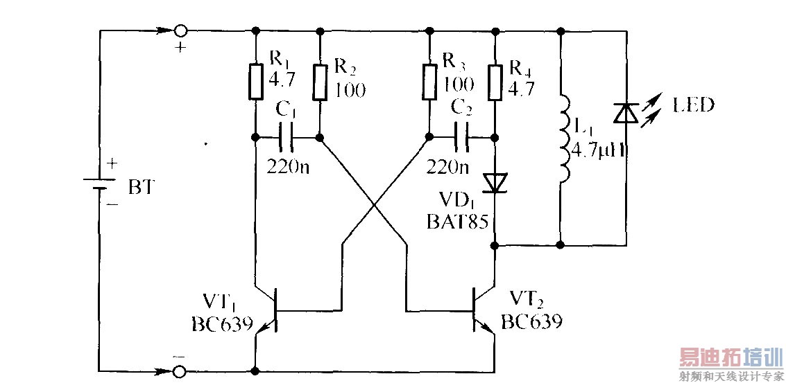
镉镍电池放电器电路
录入:edatop.com 点击:
镉镍电池的最大缺点是存在记忆效应,消除记忆效应的一种有效方法是:每到镉镍电池的第三次或者第四次充电之前先对镉镍电池进行一次完全放电,即放电到单节镉镍电池电压下降到0.75V时再给镉镍电池充电.这种方法可以使镉镍电池及时恢复容量以保证正常使用,但每次放电的终止电压每节镉镍电池不得低于0.65V,否则镉镍电池会因为过度放电而出现极性反转而损坏.
镉镍电池放电器电路如下图所示

镉镍电池放电器电路如下图所示

射频工程师养成培训教程套装,助您快速成为一名优秀射频工程师...
天线设计工程师培训课程套装,资深专家授课,让天线设计不再难...
上一篇:虚拟闽控密封铅酸蓄电池测试系统总体框
下一篇:零电压零电流开关三电平直流变换器
射频和天线工程师培训课程详情>>

