- 易迪拓培训,专注于微波、射频、天线设计工程师的培养
零电压零电流开关三电平直流变换器
录入:edatop.com 点击:
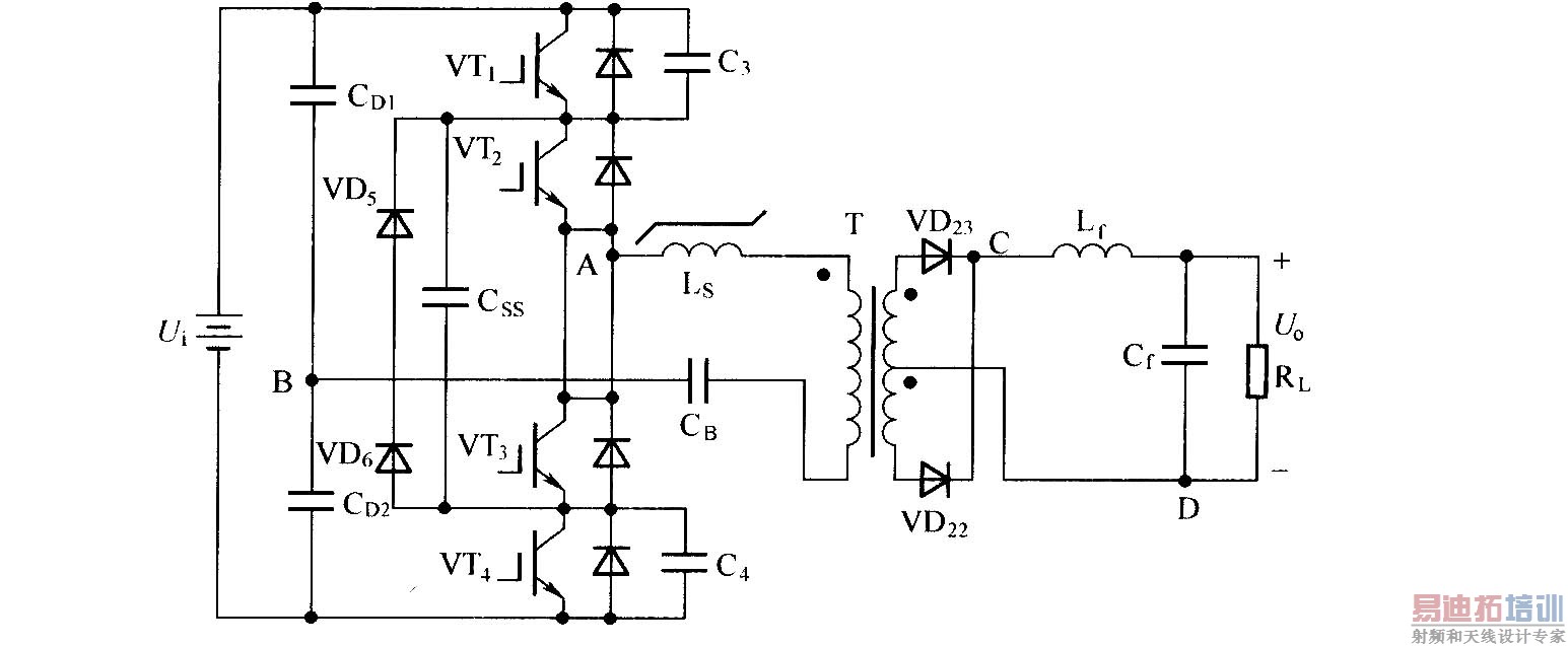
为了消除零电压开关三电平直流变换器零状态时变换器原边存在的环流,提出了几种零电压零电流开关三电平直流变换器电路.如下几图所示
1.

这个电路和零电压开关三电平直流变换器的主要差别在于:增加了联结电容CSS以及在变压器二次绕组中增加了辅助开关SAUX和钳位电容CAUX;联结电容CSS分别将外侧管VT1,VT4和内侧管VT2,VT3的开关过程连接起来.
2.

此电路采用了阻断电容作为阻断电压源,使变压器一次侧电流在零状态时减小到零,从而实现内侧开关管的零电流开关.
3.

此图为了防止变压器一次侧电流在零状态时减小到零后继续反向流动,在VT2和VT3支路中分别串入二极管VT2和VT3,消除了加入饱和电感后带来的负作用.
1.

这个电路和零电压开关三电平直流变换器的主要差别在于:增加了联结电容CSS以及在变压器二次绕组中增加了辅助开关SAUX和钳位电容CAUX;联结电容CSS分别将外侧管VT1,VT4和内侧管VT2,VT3的开关过程连接起来.
2.

此电路采用了阻断电容作为阻断电压源,使变压器一次侧电流在零状态时减小到零,从而实现内侧开关管的零电流开关.
3.

此图为了防止变压器一次侧电流在零状态时减小到零后继续反向流动,在VT2和VT3支路中分别串入二极管VT2和VT3,消除了加入饱和电感后带来的负作用.
射频工程师养成培训教程套装,助您快速成为一名优秀射频工程师...
天线设计工程师培训课程套装,资深专家授课,让天线设计不再难...
上一篇:镉镍电池放电器电路
下一篇:简化的含有谐振极电容缓冲器的串联谐振逆变器主拓扑电路
射频和天线工程师培训课程详情>>

