- 易迪拓培训,专注于微波、射频、天线设计工程师的培养
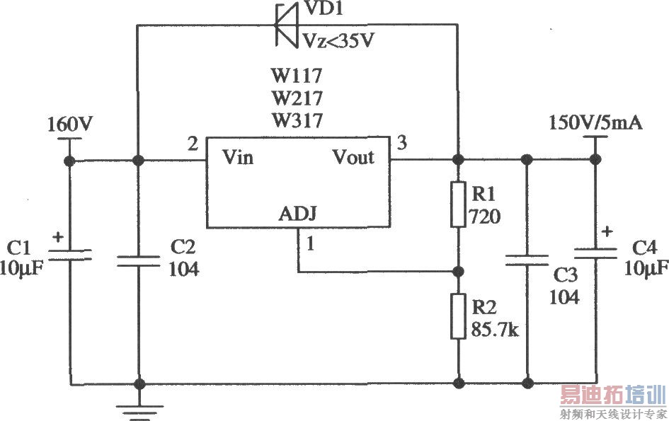
由W117/W217/W317构成的提高输出电压的应用电路
录入:edatop.com 点击:

如图所示的是用W317三端可调式正集成稳压器组成提高输出电压的应用电路。目前,一般集成稳压器的输出电压均在30~35 V左右。将W317接成悬浮式电路,适当增加保护元件,可输出100 V以上的高压。图示电路的输出电压为l50 V。通常,增大R2的阻值,即可提高输出电压。但稳压器本身能承受的电压并不高,输出电压大部分施加在R2上。为了防止启动瞬间稳压器承受过高电压,故在输入与输出间采用了保护稳压二极管VD1,但该稳压二极管的极限值应小于W317的耐压值(例如小于35V)。图中R1为720Ω,R2为85.7 kΩ。该电路不能在空载情况下应用,若要求空载时保持稳压,则Rl不能超过240Ω,但这时R2的功耗很大,应用中需注意这个问题。
射频工程师养成培训教程套装,助您快速成为一名优秀射频工程师...
天线设计工程师培训课程套装,资深专家授课,让天线设计不再难...
上一篇:由W117/W217/W317构成的具有慢启动功能的应用电路
下一篇:由W117/W217/W317构成的5V/1.5A精密稳压器的应用电路
射频和天线工程师培训课程详情>>

