- 易迪拓培训,专注于微波、射频、天线设计工程师的培养
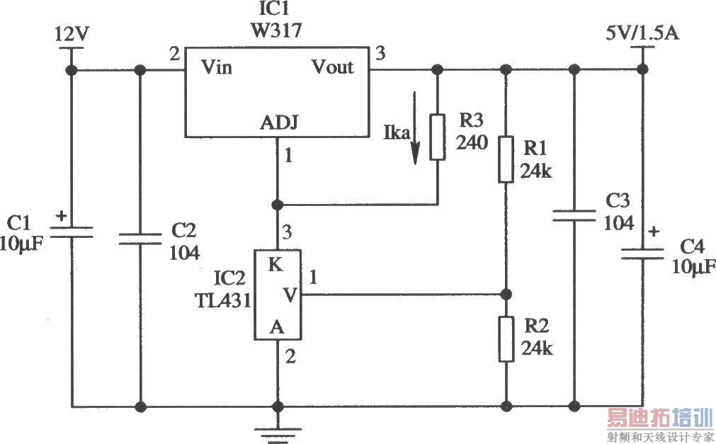
由W117/W217/W317构成的5V/1.5A精密稳压器的应用电路
录入:edatop.com 点击:

W317三端可调式正集成稳压器与 TL431 按如图所示的电路那样配合,就可以构成5 V/1.5 A固定输出式的精密稳压器电路。TL431接于W317的调节端(ADJ)与地之间,Rl和R2均采用误差为±0.1%的精密金属模电阻。由于W317本身的静态工作电流Id=IADJ=50μA《1 mA,无法给TL431提供正常的阴极工作电流,因此需要在电路中增加电阻R3。Vout经过R3给TL431提供的阴极电流Ika大于1 mA,才能保证TL431芯片的正常工作。当R3=240Ω时,Ika≈5 mA>1mA,因此电路中R3应取240Ω。
射频工程师养成培训教程套装,助您快速成为一名优秀射频工程师...
射频和天线工程师培训课程详情>>

