- 易迪拓培训,专注于微波、射频、天线设计工程师的培养
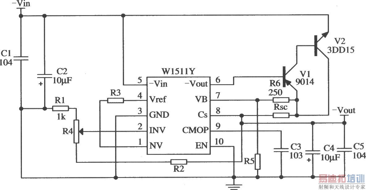
由W1511Y构成的低电压大电流输出的应用电路
录入:edatop.com 点击:

如图所示是用W1511Y多端可调负集成稳压器组成的输出电压比基准电压低(比基准电压更负)的应用电路。其输出电压为-7V>-Vout>-37 V。图示电路是用改变反相输入端的取样电阻的分压比来改变输出电压。其取样电阻的计算式与改变同相输入端电阻分压比的有所不同。图中R1取1kΩ,中间是电位器,R2的计算式如下:

,式中,Vref是基准电压,其典型值是7.5 V。R3=R1//R2,限流电阻Rsc根据下式计算:

。
射频工程师养成培训教程套装,助您快速成为一名优秀射频工程师...
天线设计工程师培训课程套装,资深专家授课,让天线设计不再难...
上一篇:由W611构成的输出电流扩展的应用电路
下一篇:W1511的扩大输出电流的应用电路
射频和天线工程师培训课程详情>>

