- 易迪拓培训,专注于微波、射频、天线设计工程师的培养
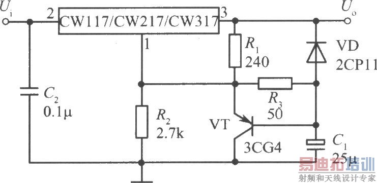
CW117/CW217/CW317构成的慢启动集成稳压电源电路
录入:edatop.com 点击:

若稳压电源的负载是灯丝,如电视机显像管的灯丝,冷态时,其电阻值较小。当过快地加上满载电压,则会产生较大的冲击电流,有可能烧毁灯丝。对于此类负载,最好能提供一个输出电压缓慢上升的稳压电源。其电路图如图所示。当电路接通输入电压Ui时,电容器C1上的电压不能发生突变,晶体管VT处于饱和状态,将电阻R2短接到地。此时,输出电压Uo=1.25V。通过电阻R3给电容器C1充电,C1上的电压逐渐上升,晶体管VT从饱和状态渐渐过渡到截止状态。其内阻从零逐渐增大直至开路。集成稳压电源的输出电压也就从1.25V逐渐增高,最后稳定在所要求的电压值上。输出电压缓慢上升的速度由时间常数R3C1来决定。
射频工程师养成培训教程套装,助您快速成为一名优秀射频工程师...
射频和天线工程师培训课程详情>>

