- 易迪拓培训,专注于微波、射频、天线设计工程师的培养
MC3406A升降压DC-DC集成变换器
录入:edatop.com 点击:
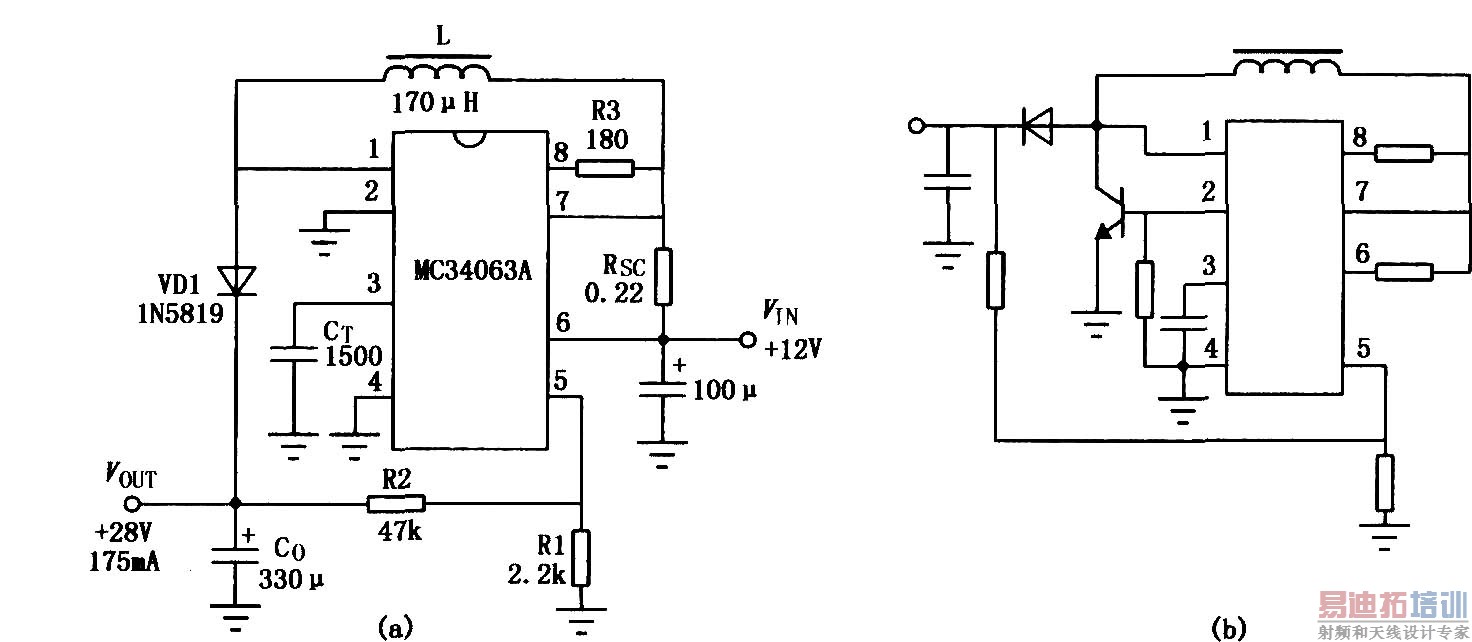
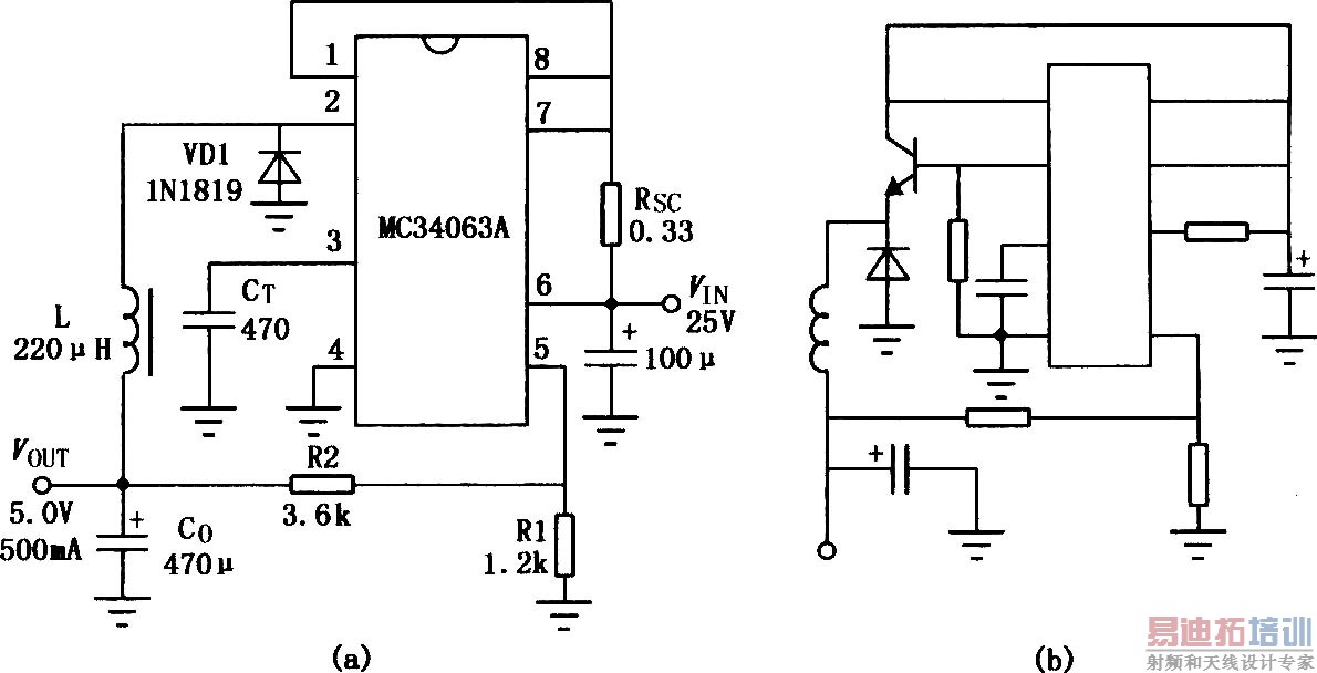
MC3406A是一种新型单片升降压DC-DC变换器集成电路,其输入电压为3~40V,输出电压可调,输出开关电流可至l.5A,并有温度补偿参考电压源,有电流限制功能。该集成电路只需配用少量外部元件,就能组成升压、降压、电压反转型DC-DC变换器,可广泛应用于各种便携式仪器、仪表等设备。
MC3406A用作升压式DC-I)C变换器电路:

用作降压式DC—DC变换器:

用作反转式DC-DC变换器:

MC3406A用作升压式DC-I)C变换器电路:

用作降压式DC—DC变换器:

用作反转式DC-DC变换器:

射频工程师养成培训教程套装,助您快速成为一名优秀射频工程师...
射频和天线工程师培训课程详情>>

