- 易迪拓培训,专注于微波、射频、天线设计工程师的培养
非谐振式变换器电路
录入:edatop.com 点击:

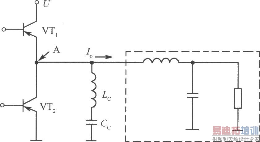
以部分谐振、多谐振、电流换流式等命名的变换器都是具有这种特性的零电压开关变换器。其中电感换流式变换器在原理上即使以非谐振方式进行零电压开关,也很少发生浪涌现象,而且也可以通过PWM控制进行电压调整,如图是这种方式的基本电路。Lc为换流时用的电感。Cc为切断直流电用的电容器(非谐振用)。在这种方式下,VTl和VT2会不断交替导通、截止。在导通、截止之间两开关都会出现断开时间,在这段时间里由电感Lr的能量对VT1和VT2的集一射间的电容进行充、放电,使之在下一次开关前将A点的电压降为零或与电源电压U相等而达到零电压开关条件,同时也控制了浪涌电流。
射频工程师养成培训教程套装,助您快速成为一名优秀射频工程师...
射频和天线工程师培训课程详情>>

