- 易迪拓培训,专注于微波、射频、天线设计工程师的培养
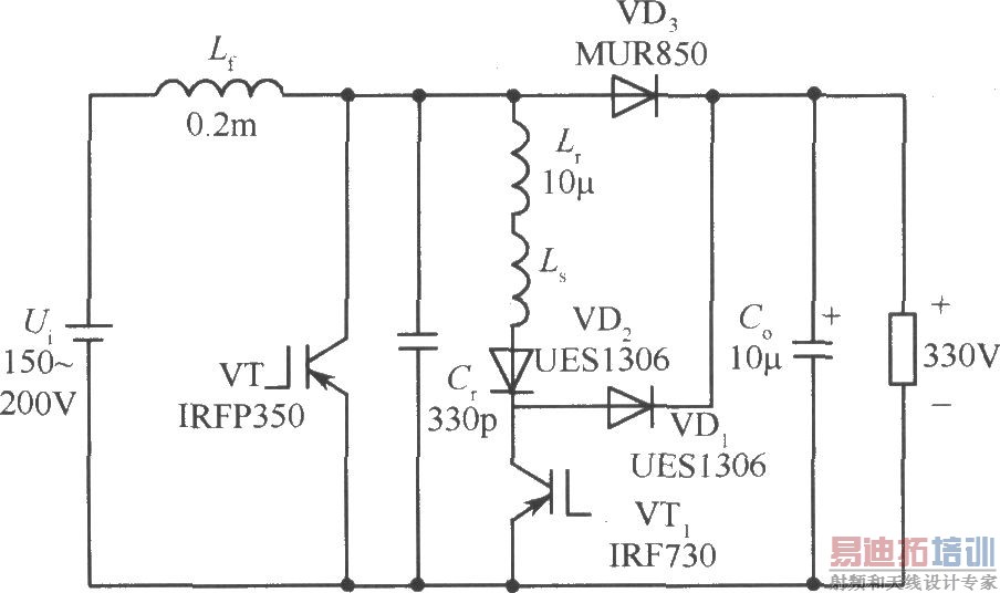
300kHz 600W ZVT-PWM boost变换器电路
录入:edatop.com 点击:

采用如图所示的功率级电路,用ZVT—PWM boost变换器可设计开关频率为300kHz、输出功率为600W、输出电压为300V的开关稳压电源。其输入电压为150~200V。
Ls是饱和电抗器,用于消除Lr和VT1输出电容之间的振铃,采用东芝尖峰抑制器(Toshiba spike killer)SA10×6×4.5磁心,绕5匝。用快恢复二极管VD2阻止VT1本体二极管导通。假如没有二极管,会导通某些电流提供Lr和VT1输出电容之间的谐振。这样当VT,关断时,将承受反向恢复问题。应当指出,辅助开关的电流额定值选择比主开关小很多。这里辅助开关采用IRF730,(400V、5.5A、75W),主开关采用IRFP350(400V、16A、150W)。该电路在输入电压和负载范围内都工作在零电压开关,在满负载和最高输入电压下的最大效率达97%,而且噪声很低,实验波形和理论波形相一致。
射频工程师养成培训教程套装,助您快速成为一名优秀射频工程师...
天线设计工程师培训课程套装,资深专家授课,让天线设计不再难...
上一篇:非谐振式变换器电路
下一篇:100kHz
600W功率因数校正电路
射频和天线工程师培训课程详情>>

