- 易迪拓培训,专注于微波、射频、天线设计工程师的培养
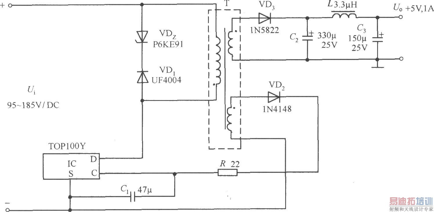
TOP100Y构成的 5V、1A输出的反激式直流开关稳压电源电路
录入:edatop.com 点击:

由TOP100Y构成的 5v、1A输出的反激式直流开关稳压电源电路如图所示。这种反激式开关电源是通过反馈电路直接调节输出电压的,适用于需要隔离且负载变化小的情况。当直流输入电压Ui=95~185V时,电压调整率Sv=±1.25%。当负载电流从10%变化到100%时,负载调整率SI=±4.5%。输出纹波电压为±25mV。开关频率仍为100kHz(典型值)。
钳位电路由瞬变电压抑制二极管VDz(P6KE91)和超快恢复二极管VD1(UF4004)组成。次级电压VD3、C2、L、C3整流滤波后,获得 5V输出。反馈线圈电压通过VD2、R和Cl整流滤波后,加到TOPl00Y的控制端。Cl兼作控制环路的补偿电容,并决定自动重启动频率。
射频工程师养成培训教程套装,助您快速成为一名优秀射频工程师...
天线设计工程师培训课程套装,资深专家授课,让天线设计不再难...
上一篇:TOP224P构成的
12V、20W开关直流稳压电源电路
下一篇:TOP102Y构成的
15V、2A开关直流稳压电源电路
射频和天线工程师培训课程详情>>

