- 易迪拓培训,专注于微波、射频、天线设计工程师的培养
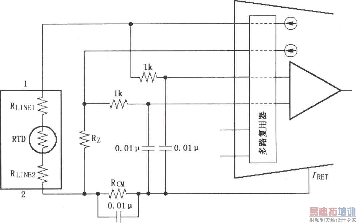
两线RTD连接电路 (XTR108)
录入:edatop.com 点击:
如图所示,长导线电流环传输会引入射频(RF)干扰,RF能量会造成敏感的XTR108输入端出现误差,表现在环路电流或输入线电流的不稳定。如果RTD传感器在远距离,则在XTR108输入端将引入干扰。如果变送器与传感器采用短线连接,则干扰更多来自于电流环路的连接线。解决的方法是在输入端加0.01μF的旁路电容滤波,以减小或消除干扰。将这些旁路电容的公共点与IRET端相连,虽然IRET端直流电压不为零,但它是变送器的“地”。另外,VLOOP在与Io端之间接一个0.01μF的电容,有助于将输出干扰减到最小。


射频工程师养成培训教程套装,助您快速成为一名优秀射频工程师...
射频和天线工程师培训课程详情>>

