- 易迪拓培训,专注于微波、射频、天线设计工程师的培养
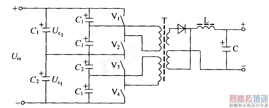
变形的半桥式变换器电原理
录入:edatop.com 点击:
对于高压输入,大功率输出的情况下,一般采用如图所示的电路方式。在电路中,开关器件V1、V2为一组,V3、V4为一组,双双串联,可减少单管耐压值。在实际应用电路中开关器件V1、V2、V3、V4可采用双管或多管并联,可解决大电流输出问题。共用变压器可提高变压器利用率,并具有抗不平衡能力。在变形的串联型半桥式功率变换电路中,V1、V2或V3、V4每只开关管的最大耐压值仅为Uc1或Uc2值,如果C1=C2,则Uc1=Uc2=Uin/2值,因此可以选择降低耐压的开关管。另外V1、V2、V3、V4可以采用多管并联方式工作,增大输出电流的容量;对于变压器T可以工作在正反方向,大大地提高了变压器效率。鉴于上述优点,该电路得到了较广泛的应用,特别是在高电压输入和大功率输出的场合,其应用越来越普遍。


射频工程师养成培训教程套装,助您快速成为一名优秀射频工程师...
天线设计工程师培训课程套装,资深专家授课,让天线设计不再难...
上一篇:两线RTD连接电路
(XTR108)
下一篇:三相桥式逆变器电路
射频和天线工程师培训课程详情>>

