- 易迪拓培训,专注于微波、射频、天线设计工程师的培养
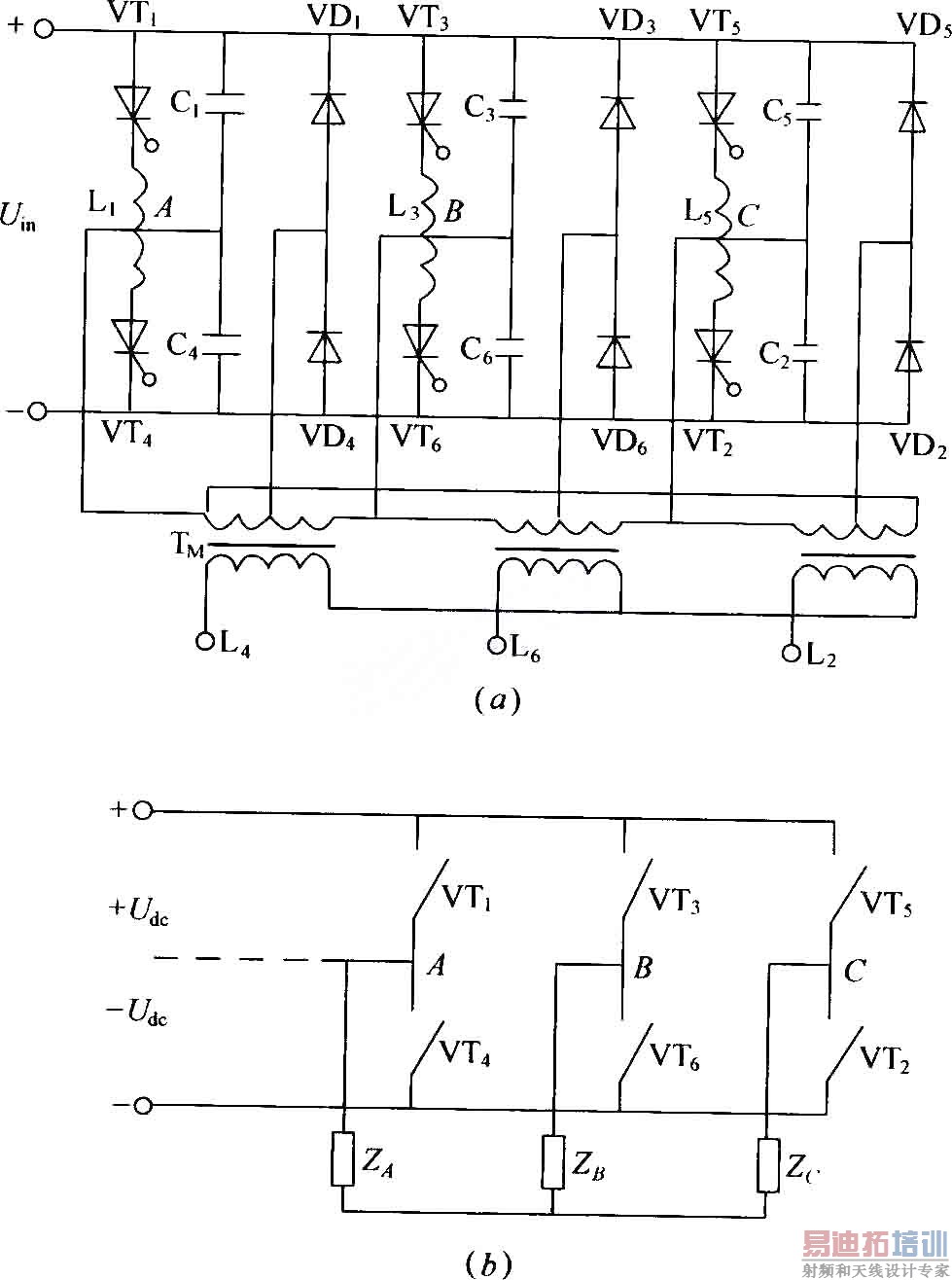
三相桥式逆变器电路
录入:edatop.com 点击:
传统的三相桥式逆变器电路如图(a)所示。图中,VT1~VT6为晶闸管,L1~L6为换向电感,C1~C6为换向电容,两者组成晶闸管关断电路。VD1~VD6为反馈二极管。依据晶闸管工作原理,在三相交流输入电源作用下,若晶闸管承受最大正向阳极电压,而控制极又获得触发脉冲时便转入导通状态。反之处于导通状态的晶闸管在足够的反向阳极电压作用下会转为截止状态。图(b)为图(a)的简化图。


射频工程师养成培训教程套装,助您快速成为一名优秀射频工程师...
天线设计工程师培训课程套装,资深专家授课,让天线设计不再难...
上一篇:变形的半桥式变换器电原理
下一篇:设置静态开关的单相转换型UPS电源主电路框
射频和天线工程师培训课程详情>>

