- 易迪拓培训,专注于微波、射频、天线设计工程师的培养
自动延时降压启动稳压电源电路
录入:edatop.com 点击:
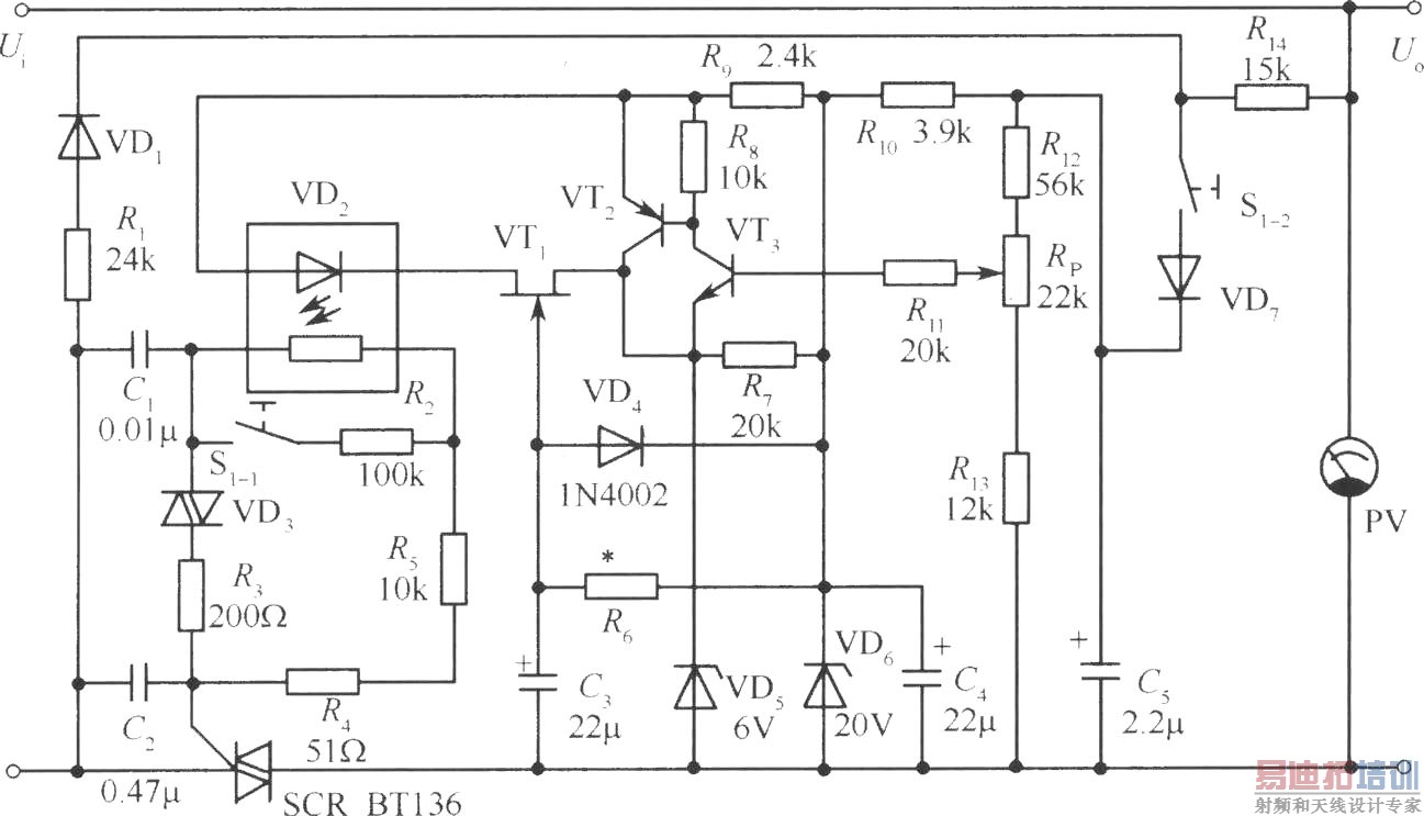
该电源电路原理如图所示。开关Sl闭合时,电流经负载及R5、R2和Cl组成的网络移相后,通过双向触发二极管VD3和触发可控硅SCR使其导通。由于R2电阻的阻值很大,故可控硅SCR的导通角较小。这时在输出端便可得到一个较低的电压(可设计为零,作为延时开启用)。
SCR可选用6A/600V、触发电流小于10mA的可控硅;VT1选用一般场效应管,如3DJ6或3DJ7等;VT2选用β≥100的3CG21;VT3选用β≥500的高增益三极管,如9014;VD1、VD7选用耐压大于400V的***率二极管,如1N4007即可;VD5、VD6的功率不小于lW;R14的功率不小于2W;R1、R5的功率不小于1W;R4的功率不小于l/2W;其他电阻均用功率为1/8W的。若需要长时间定时,则C3应选有漏电小的钽电容。对其他元器件无特殊要求。该稳压器中的光电耦合器无成品供应,可自制,即用暗阻10MΩ、亮阻10kΩ、功率为200mW的光敏电阻与亮度高的发光二极管封装在一起,并与外界遮光即可。

SCR可选用6A/600V、触发电流小于10mA的可控硅;VT1选用一般场效应管,如3DJ6或3DJ7等;VT2选用β≥100的3CG21;VT3选用β≥500的高增益三极管,如9014;VD1、VD7选用耐压大于400V的***率二极管,如1N4007即可;VD5、VD6的功率不小于lW;R14的功率不小于2W;R1、R5的功率不小于1W;R4的功率不小于l/2W;其他电阻均用功率为1/8W的。若需要长时间定时,则C3应选有漏电小的钽电容。对其他元器件无特殊要求。该稳压器中的光电耦合器无成品供应,可自制,即用暗阻10MΩ、亮阻10kΩ、功率为200mW的光敏电阻与亮度高的发光二极管封装在一起,并与外界遮光即可。

射频工程师养成培训教程套装,助您快速成为一名优秀射频工程师...
天线设计工程师培训课程套装,资深专家授课,让天线设计不再难...
上一篇:330W交流稳压电源电潞
下一篇:自动稳压电源电路
射频和天线工程师培训课程详情>>

