- 易迪拓培训,专注于微波、射频、天线设计工程师的培养
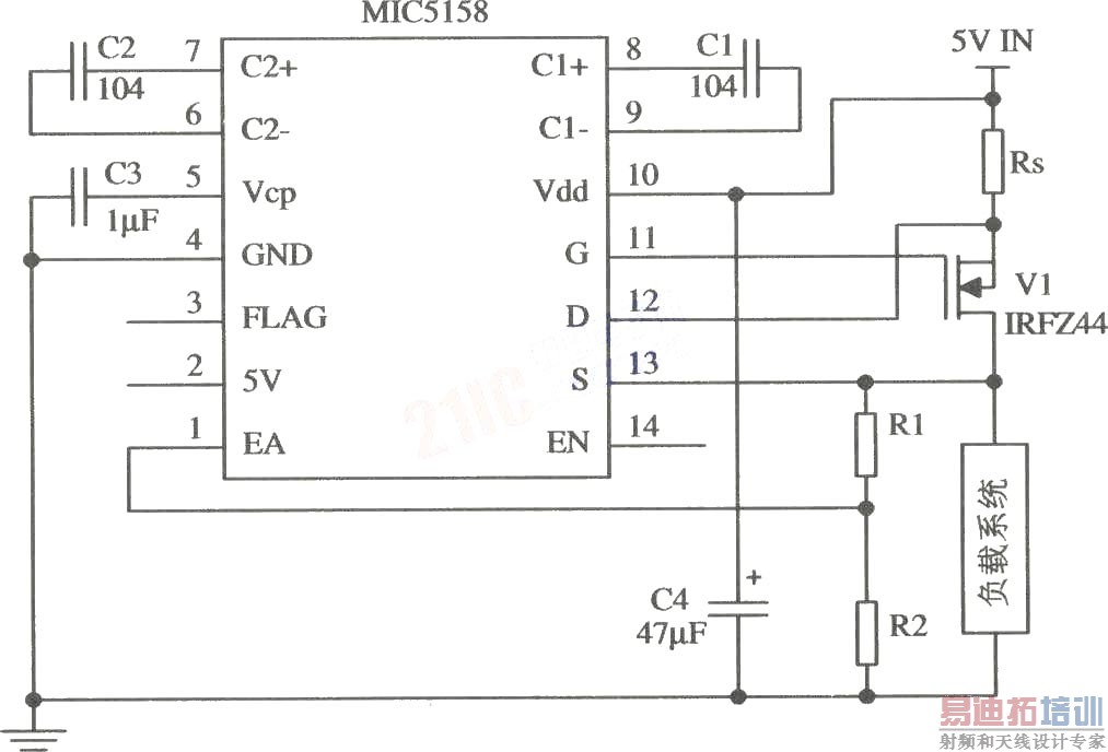
由MIC5158组成的恒流源电路
录入:edatop.com 点击:
由MIC5158作为控制器的简单恒流源电路如图所示。该电路的输出电流主要取决于MIC5158内部的35 mV基准电压源与外加的限流电阻Rs,其关系式为:

,该电路能承受相对差的输入精度,这是因为它对35 mV的门限无法进行外部修整,Rl和R2的作用只能把输出电压箝位到最大值。


,该电路能承受相对差的输入精度,这是因为它对35 mV的门限无法进行外部修整,Rl和R2的作用只能把输出电压箝位到最大值。

射频工程师养成培训教程套装,助您快速成为一名优秀射频工程师...
射频和天线工程师培训课程详情>>

