- 易迪拓培训,专注于微波、射频、天线设计工程师的培养
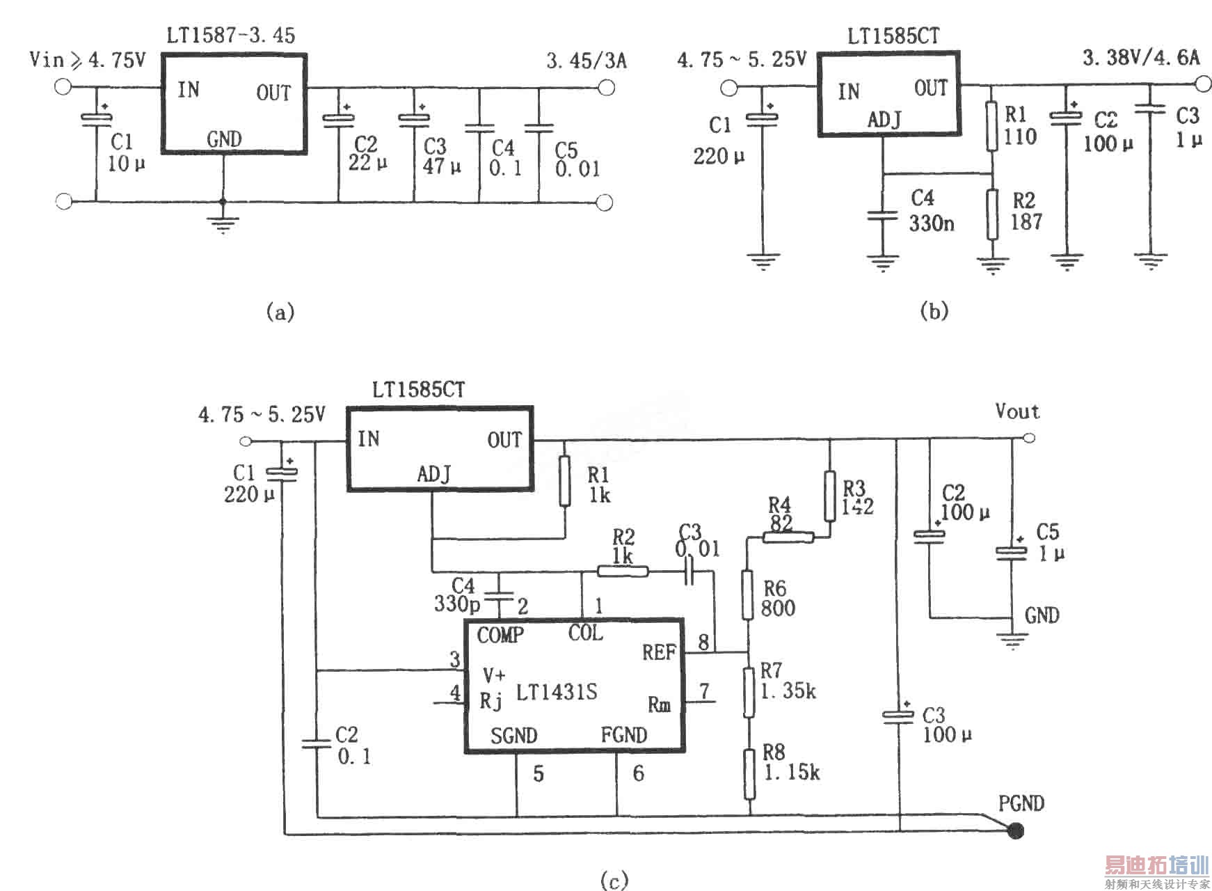
适用于驱动微处理机的稳压电源(LT1587、LT1431S)
录入:edatop.com 点击:

图(a)是采用LT1587-3.45构成的微处理机电源电路。图(b)是采用LT1585构成的输出电压可调的稳压电源。图(c)是采用LT1584和LT1431构成的微机电源。LT1584、LTl585、LT1587的输出电流为7A、4.6A、3A,是最适用于驱动微处理机的稳压器,具有高速过度响应特性,负载调整率为0.5%,内有热击穿保护电路。基本应用电路非常简单,固定输出电压时,只要在输入与输出端各接l只电容;可调输出电压时,再接上用于设定输出的2只电阻即可,输入输出的电容容量可非常小。
射频工程师养成培训教程套装,助您快速成为一名优秀射频工程师...
天线设计工程师培训课程套装,资深专家授课,让天线设计不再难...
上一篇:用MAX8860构成的低压差线性稳压电源
下一篇:由MIC5158组成的恒流源电路
射频和天线工程师培训课程详情>>

