- 易迪拓培训,专注于微波、射频、天线设计工程师的培养
一种低功耗仪器用的通用滤波器电路
录入:edatop.com 点击:
这一设计的论据是串联RLC谐振器可通过其元件提供不同滤波功能。由于这一设计基于RLC部件,所以把它转换成PC控制的谐振器并不重要。在图1中,电感LP是作为一个PC控制的合成电感来实现的,电感值为LP=C2RPR3R5/R2。式中RP可取15个电感值中任何一个,视开关S1~S4的状态而定(决定于PC端口数据位D2~D5)。频率公式为ω0=(R2/C1RPR3R5)1/2。这样,你就可以选择15个有效的频率值。(这一设计使用了12个实用的频率值)。来自PC并行端口的数据位D6~D9用来设置模拟开关S5~S8。这些开关的状态决定了滤波器的类型。


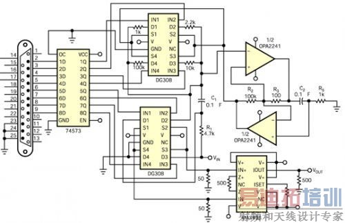
图1 一个可由PC配置的滤波器使用一个合成电感和几只模拟开关来确定滤波器类型和中心频率
图2 你在确定滤波器中心频率时必须考虑到模拟开关的有限导通电阻。
图3示出了软件生成的该电路的显示图。这一设计使用9.93千赫的带通滤波器来进行演示和测试。增加模拟开关的数量,可以加宽频率范围。另外,你还可以使用另外的开关来获得增益可编程性。74573锁存器具有与PC相连的接口。表1示出了对应于一些频率和滤波器类型选择的端口/开关设置。值得注意的是,模拟开关(DG308)具有大约为110Ω的有限工作导通电阻;在计算中心频率时必须把这一电阻考虑进去。

图3 对用户友好的配置屏幕能确定滤波器类型和频率。
射频工程师养成培训教程套装,助您快速成为一名优秀射频工程师...
天线设计工程师培训课程套装,资深专家授课,让天线设计不再难...
上一篇:系统详解开关电源的基本工作原理
下一篇:如何处理高
di/dt
负载瞬态
射频和天线工程师培训课程详情>>

