- 易迪拓培训,专注于微波、射频、天线设计工程师的培养
利用高性能同时采样ADC降低高级电力线监测系统的成本
录入:edatop.com 点击:
引言
一个高级电力线监控系统通常由功率监测、负载均衡、保护以及表计功能组成,这一架构能够使电力得到有效传输,用户充分利用电力资源,保证电网的高效运转。随着电力的有效传输,高级电力线监测系统能够预测电力需求、检测并报告故障条件,还可以记录、动态均衡负载以节省能源,监测(和控制)电力传输质量、协助保护设备。
为了实现这些系统监控功能,需要使用ADC (模/数转换器)监测多相电压和电流。此外,为了满足各种标准的苛刻要求,测量并优化功率因数损耗,这些转换器必须能够同时同步采样三个通道(以及零相通道)。考虑到对单个转换器进行同步比较困难,厂商在单一封装内集成了多路同时采样ADC。如果需要更高集成度的方案,可以选择定制ASIC同时采样转换器。
性能测试—当地标准与国际标准的要求
不同的国际标准对电能测量精度的规定不尽相同,这为电力线监控系统的开发带来一定的难度,所设计的产品很难得到普遍认同。供电量的测量特性必须满足当地标准或国际标准的规定。EU (欧共体)标准EN 50160、IEC 62053和IEC 61850对于现代电力监控系统使用的多通道ADC的精度给出了严格的下限要求。此外,电力线监控系统对于电力传输的实时监测精度的要求也越来越严格,而且需要完备的故障检测和保护以及动态负载均衡功能。例如,EU标准IEC 62053 0.2类(被普遍作为一种全球性的公共标准)要求表计精度达到标称电流和电压的0.2%。为了精确测量功率因数,相位匹配度应该达到0.1%甚至更好。
国际标准和当地标准不仅给出了最低精度的要求,还给出了现代电力线监测和计量系统对于采样速率的要求。要求对交流电源进行更加严格的高次谐波分析,快速检测故障条件,例如,瞬间的电压毛刺和电压跌落故障。由此可见,这类应用需要在高达90dB的动态范围内、以16ksps甚至更高的采样速率,对多个通道进行高精度、同时测量。
目前,全球的许多国家已经采纳了EU标准,因此,最好参考这些测量标准,将其作为系统必须满足的指标。表1归纳了EN 50160的要求。对于谐波电压,EN 50160要求能够测量50Hz/60Hz电源电压的25次谐波,而对于一些非线性负载,例如:感性电机和开关电源驱动器,则要求测量50Hz/60Hz电源电压的127次谐波。另外,需要特别注意的是:IEC 61850等一些新兴标准还建议记录电力系统的瞬态事件,每个交流周期的采样次数将达到256次甚至更高。
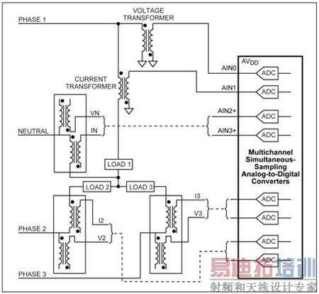
典型的电网监测系统
全球的3相电网的分布形式均采用所谓的"Y型连接","Y型"表示三路电压彼此之间的相位偏差120°(一周的三分之一)。第4条线,零相,通常供给非平衡负载。如果三相中的每相负载保持均等,则系统保持均衡,没有电流流入零相。典型的电网监测架构如图1所示,每相功率(电压和电流)可通过电流变压器(CT)和电压变压器测量(电力分配系统也称为电动势变压器,PT)。一个完整的系统应该包括四对线路(三相中的每相对应一对,零相对应一对)。
按照图1所示,ADC同时测量三相和零相的电压、电流,对采样和经过数字转换的数据进行数字处理后,可以得到有功功率、无功功率、视在功率、功率因数等参数,并且可以动态调节电力线负载,修正功率因数,从而提高供电效率。对采样数据进行FFT (快速傅立叶变换)运算,可以测得频率和谐波失真,确定系统损耗、噪声影响等信息。
一个高级电力线监控系统通常由功率监测、负载均衡、保护以及表计功能组成,这一架构能够使电力得到有效传输,用户充分利用电力资源,保证电网的高效运转。随着电力的有效传输,高级电力线监测系统能够预测电力需求、检测并报告故障条件,还可以记录、动态均衡负载以节省能源,监测(和控制)电力传输质量、协助保护设备。
为了实现这些系统监控功能,需要使用ADC (模/数转换器)监测多相电压和电流。此外,为了满足各种标准的苛刻要求,测量并优化功率因数损耗,这些转换器必须能够同时同步采样三个通道(以及零相通道)。考虑到对单个转换器进行同步比较困难,厂商在单一封装内集成了多路同时采样ADC。如果需要更高集成度的方案,可以选择定制ASIC同时采样转换器。
性能测试—当地标准与国际标准的要求
不同的国际标准对电能测量精度的规定不尽相同,这为电力线监控系统的开发带来一定的难度,所设计的产品很难得到普遍认同。供电量的测量特性必须满足当地标准或国际标准的规定。EU (欧共体)标准EN 50160、IEC 62053和IEC 61850对于现代电力监控系统使用的多通道ADC的精度给出了严格的下限要求。此外,电力线监控系统对于电力传输的实时监测精度的要求也越来越严格,而且需要完备的故障检测和保护以及动态负载均衡功能。例如,EU标准IEC 62053 0.2类(被普遍作为一种全球性的公共标准)要求表计精度达到标称电流和电压的0.2%。为了精确测量功率因数,相位匹配度应该达到0.1%甚至更好。
国际标准和当地标准不仅给出了最低精度的要求,还给出了现代电力线监测和计量系统对于采样速率的要求。要求对交流电源进行更加严格的高次谐波分析,快速检测故障条件,例如,瞬间的电压毛刺和电压跌落故障。由此可见,这类应用需要在高达90dB的动态范围内、以16ksps甚至更高的采样速率,对多个通道进行高精度、同时测量。
目前,全球的许多国家已经采纳了EU标准,因此,最好参考这些测量标准,将其作为系统必须满足的指标。表1归纳了EN 50160的要求。对于谐波电压,EN 50160要求能够测量50Hz/60Hz电源电压的25次谐波,而对于一些非线性负载,例如:感性电机和开关电源驱动器,则要求测量50Hz/60Hz电源电压的127次谐波。另外,需要特别注意的是:IEC 61850等一些新兴标准还建议记录电力系统的瞬态事件,每个交流周期的采样次数将达到256次甚至更高。
![]() |
全球的3相电网的分布形式均采用所谓的"Y型连接","Y型"表示三路电压彼此之间的相位偏差120°(一周的三分之一)。第4条线,零相,通常供给非平衡负载。如果三相中的每相负载保持均等,则系统保持均衡,没有电流流入零相。典型的电网监测架构如图1所示,每相功率(电压和电流)可通过电流变压器(CT)和电压变压器测量(电力分配系统也称为电动势变压器,PT)。一个完整的系统应该包括四对线路(三相中的每相对应一对,零相对应一对)。
按照图1所示,ADC同时测量三相和零相的电压、电流,对采样和经过数字转换的数据进行数字处理后,可以得到有功功率、无功功率、视在功率、功率因数等参数,并且可以动态调节电力线负载,修正功率因数,从而提高供电效率。对采样数据进行FFT (快速傅立叶变换)运算,可以测得频率和谐波失真,确定系统损耗、噪声影响等信息。
![]() 图1. 典型的电网监测系统,采用同时采样ADC。 电力监测系统的要求 电力监控设备必须能够以高达60Hz x 256或高于15,360sps (每秒采样数)的采样率测量瞬态电流和电压,以满足标准要求。根据精度要求,系统中所使用的ADC的动态范围需要达到90dB。 电压测量ADC的动态范围可以根据所监测的最大电压和标称电压,按照功率测量的精度要求进行计算。例如,如果设计要求测量1.5kV (1500V)的临时性过压(低于故障条件),电源电压标称值为220V,精度指标要求达到0.2%,电压测量子系统的总动态范围至少为: 20log ((1500 ÷ 220) × 2000) = 83dB 注:所有计算中,假设设计精度要求为0.05%,优于精度为0.2%的标准要求。这一设计裕量可确保最终系统满足标准要求。 电流检测也会影响ADC的规格,如果电力监测系统设计要求达到典型值为100A:10A (10A标称值、100A最大值)和0.2类(0.2%)规范要求,电流测量子系统的总动态范围为: 20log ((100 ÷ 10) × 2000) = 86dB 从上述案例可以明确看出当前设计对高性能ADC的需求,对于86dB的动态范围,需要采样率为16ksps甚至更高采样率的16位ADC。为了确保精确测量3相和零相Y型系统的电流和电压,ADC必须能够同时采样多达八个通道(四路电压、四路电流)。此外,还需要修正变压器引入的电流、电压的相位偏移(或延时),这一点对于测量并修正功率因数,有效提高供电效率的系统非常重要。 [p] ADC选择 为电网监测系统选择正确的ADC时,设计人员必须了解采样速率和标准要求。对于当前设计,他们还必须考虑其它因素,例如:有效输入阻抗(ZIN)、信号相位调节、小尺寸封装等。了解这些需求后,设计人员将注意力转向支持多通道同时采样的高性能ADC,用于电力线监控或多通道SCADA (管理控制和数据采集系统)。几种ADC方案能够满足电网监测的苛刻要求,这些目标方案中的绝大多数是6通道、16位同时采样ADC,采样速率可达250ksps。 有些公司提供六通道、低功耗、250ksps SAR (逐次逼近寄存器)型ADC。Maxim提供的MAX11046*在单一芯片内集成了八路高精度、低功耗、16位、250ksps SAR ADC。MAX11046能够达到高于90dB的信噪比。 有效输入阻抗(ZIN) ZIN由输入电容和采样频率确定: ZIN = 1/(CIN × FSAMPLE) 式中,FSAMPLE为采样频率,CIN = 15pF。 如果ADC具有较高的ZIN,如:MAX11046,则可直接连接到电压和电流测量变压器。这种连接省去了外部精密仪表放大器或缓冲器,从而有效降低系统成本、电路板面积以及系统功耗。图2所示应用案例给出了基于MAX11046EV(评估)板的单相监控系统,连接到电力线监测变压器。从结构图可以看出:电力线变压器与同时采样、多通道数据转换器之间的连接非常简单,可有效节省成本和空间。对于三相供电系统,可以把该电路复制到三相的每一相以及零相。 信号相位调节 当高压信号通过变压器并瞬变到较低电压时会产生一定的相差(或延时),该延时在电力管理或电网监控应用中造成比较严重的问题。为了解决这些问题,设计人员需要在后端通过软件调节相位,或者在前端通过ADC重新调整信号,消除电压和电流信号的偏差,以便在Y型配置下获得真实的、精确的功率因数测量。三相电的相差偏离120°表示存在功率损耗,一旦精确测量到了功率因数,即可对其进行修正,使电网保持高效运转。 传统方案中,利用同时采样、多通道、16位ADC解决信号相位调整问题时采用的是数字方式,对ADC输出数据进行后续处理。Maxim的MAX11046即采用了这种方式,使用这种ADC,需要占用较大的软件开销调整信号相位。 目前新推出的一些ADC方案能够独立调节每个通道的输入相位,可调节延时为0至333μs,调节步长为1.33μs。这种设计节省了上面提到的软件开销,MAX11040 24位、4通道、Σ-Δ ADC即采用了这一方案,采用级联配置后能够对最多32个通道进行高精度的同时采样。每个通道所具备的可调节采样相位功能能够在内部补偿外部变压器或输入滤波器产生的相差。/SYNC输入可以利用远端时钟源周期性地同步多达八个器件的转换时序。
|




