- 易迪拓培训,专注于微波、射频、天线设计工程师的培养
优化高电压IGBT造就高效率太阳能逆变器
录入:edatop.com 点击:
随着绿色电力运动势头不减,包括家电、照明和电动工具等应用,以至其他工业用设备都在尽可能地利用太阳能的优点。为了有效地满足这些产品的需求,电源设计师正通过最少数量的器件、高度可靠性和耐用性,以高效率把太阳能源转换成所需的交流或者直流电压。
要为这些应用以高效率生产所需的交流输出电压和电流,太阳能逆变器就需要控制、驱动器和输出功率器件的正确组合。要达到这个目标,在这里展示了一个针对500W功率输出进行优化,并且拥有120V及60Hz频率的单相正弦波的直流到交流逆变器设计。在这个设计中,有一个DC/DC电压转换器连接到光伏电池板,为这个功率转换器提供200V直流输入。不过在这里没有提供太阳能电池板的详细资料,因为那方面不是我们讨论的重点。
现在,市场上有不同的高级功率开关,例如金属氧化物半导体FET(MOSFET),双极型三极管(BJT),以及绝绿栅双极晶体管(IGBT)来转换功率。然而,这个应用要达到最高的转换效率和性能要求,就要选择正确的功率晶体管。
多年来的调查和分析显示,IGBT比其他功率晶体管有更多优点,当中包括更高电流能力,利用电压而非电流来进行栅极控制,以及能够与一个超快速恢复二极管协同封装来加快关断速度。此外,工艺技术及器件结构的精细改进也使IGBT的开关性能得到相当的改善。其他优点还包括更好的通态性能,以及拥有高度耐用性和宽安全工作区。在考虑这些质量之后,这种功率逆变器设计就会选用高电压IGBT,作为功率开关的必然之选。
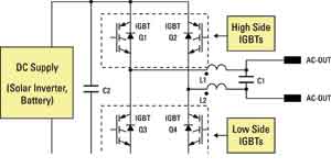
因为这个设计所实施的逆变器拓扑属于全桥,所以有关的太阳能逆变器采用了4个高电压IGBT,如图1所示。在这个电路中,Q1和Q2晶体管被指定为高侧IGBT,而Q3和Q4则为低侧功率器件。为了要保持总功率耗损处于低水平,但功率转换则拥有高效率,设计师要在这个DC/AC逆变器解决方案正确应用低侧和高侧IGBT组合。
要为这些应用以高效率生产所需的交流输出电压和电流,太阳能逆变器就需要控制、驱动器和输出功率器件的正确组合。要达到这个目标,在这里展示了一个针对500W功率输出进行优化,并且拥有120V及60Hz频率的单相正弦波的直流到交流逆变器设计。在这个设计中,有一个DC/DC电压转换器连接到光伏电池板,为这个功率转换器提供200V直流输入。不过在这里没有提供太阳能电池板的详细资料,因为那方面不是我们讨论的重点。
现在,市场上有不同的高级功率开关,例如金属氧化物半导体FET(MOSFET),双极型三极管(BJT),以及绝绿栅双极晶体管(IGBT)来转换功率。然而,这个应用要达到最高的转换效率和性能要求,就要选择正确的功率晶体管。
多年来的调查和分析显示,IGBT比其他功率晶体管有更多优点,当中包括更高电流能力,利用电压而非电流来进行栅极控制,以及能够与一个超快速恢复二极管协同封装来加快关断速度。此外,工艺技术及器件结构的精细改进也使IGBT的开关性能得到相当的改善。其他优点还包括更好的通态性能,以及拥有高度耐用性和宽安全工作区。在考虑这些质量之后,这种功率逆变器设计就会选用高电压IGBT,作为功率开关的必然之选。
因为这个设计所实施的逆变器拓扑属于全桥,所以有关的太阳能逆变器采用了4个高电压IGBT,如图1所示。在这个电路中,Q1和Q2晶体管被指定为高侧IGBT,而Q3和Q4则为低侧功率器件。为了要保持总功率耗损处于低水平,但功率转换则拥有高效率,设计师要在这个DC/AC逆变器解决方案正确应用低侧和高侧IGBT组合。
![]() 图1 采用4个IGBT的逆变器设计 沟道和平面IGBT为了要同时把谐波和功率损耗降到最低,逆变器的高侧IGBT利用了脉宽调制(PWM),同时低侧功率器件就用60Hz进行变化。通过把PWM频率定在20kHz或以上操作,高侧IGBT有50/60Hz调制,输出电感器L1和L2便可以保持实际可行的较少尺寸,提供有效的谐波滤波。再者,逆变器的可听声也可以降到最低,因为开关频率已经高于人类的听觉范围。 我们研究过采用不同IGBT组合的各种开关技术后,认定能够实现最低功率耗损和最高逆变器性能的最好组合,是高侧晶体管利用超高速沟道IGBT,而低侧部分就采用标准速度的平面器件。与快速和标准速度平面器件比较,开关频率在20kHz的超高速沟道IGBT提供最低的总通态和开关功率损耗组合。高侧晶体管的开关频率为20kHz的另外一个优点,是输出电感器有合理的小尺寸,同时也容易进行滤波。在低侧方面,我们把标准速度平面IGBT的开关频率定在60Hz,使功率损耗可以保持在最低的水平。 当我们细看高电压(600V)超高速沟道IGBT的开关性能,便会知道这些器件为20kHz的开关频率进行了优化。这使设计在相关的频率下能够保持最少的开关损耗,包括集电极到发射极的饱和电压Vce(on)及总开关能量ETS。结果,总通态和开关功率损耗便可以维持在最低的水平。根据这一点,我们选择了超高速沟道IGBT,例如,IRGB4062DPBF作为高侧功率器件。这种超高速构道IGBT与一个超高速软恢复二极管采用协同封装,进一步确保低开关耗损。 此外,这些IGBT不用要求短路额定值,因为当逆变器的输出出现短路时,输出电感器L1和L2会限制电流di/dt,从而给予控制器足够的时间做出适当的回应。还有,与同样尺寸的非短路额定IGBT比较,短路额定IGBT提供更高的Vce(on)和ETS。由于拥有更高的Vce(on)和ETS,短路额定IGBT会带来更高的功率损耗,使功率逆变器的效率降低。 再者,超高速沟道IGBT也提供方形反向偏压工作区、最高175℃结温,还可承受4倍的额定电流。为了要显示它们的耐用性,这些功率器件也经过100%钳位电感负载测试。 [p] 与高侧不同,通态耗损支配了低侧IGBT。因为低侧晶体管的工作频率只有60Hz,开关损耗对这些器件来说微不足道。标准速度平面IGBT是特别为低频率和较低通态耗损而设计。所以,随着低侧器件于60Hz进行开关,这些IGBT要通过采用标准速度平面IGBT来达到的最低功率耗损水平。因为这些器件的开关损耗非常少,标准速度平面IGBT的总耗散并没有受到其开关耗损所影响。基于这些考虑,标准速度IGBT IRG4BC20SD因此成为低功率器件的最好选择。一个第四代IGBT与超高速软恢复反向并联二极管协同封装,并且为最低饱和电压和低工作频率(<1kHz)进行优化。在10A下的典型Vce(on)为1.4V。针对低正向降压及反向漏电流,跨越低侧IGBT的协同封装二极管已经优化了,以在续流和反向恢复期间把损耗降到最低。 逆变器效率 图2展示了系统层面的全桥功率逆变器电路。就如图中所示,H桥的每一支管脚由高电流、高速栅极驱动器IC,以及独立低和高侧参考输出通道所驱动。驱动器IRS2106SPBF的浮动通道容许自举电源为高侧功率电器件工作。因此,它免除了高侧驱动对隔离式电源的需求。这有助整体系统去改善逆变器的效率和减少零件数目。当电流续流到低侧IGBT协同封装二极管,这些驱动器的自举电容器会在每个开关周期(50μs)更新。
|




