- 易迪拓培训,专注于微波、射频、天线设计工程师的培养
通信电源监控系统下位机硬件电路的设计
录入:edatop.com 点击:
1 引言
通信电源通常被称为通信系统的心脏,其工作不正常,将会造成通信系统故障,甚至导致整个系统瘫痪。美国APC公司的一项调查结果表明,大约有75%以上的通信系统故障都是由于电源设备故障或者是电源设备不符和技术条件而引起的。同时随着通信电源向小型化、模块化发展、供电方式由集中供电向分散供电转变,以往的人工监控模式难以适应,从而使得可靠性更加难以保障。为此,我们研制了一套本地用通信电源监控系统,该系统采用模块化、通用化设计,从而具有较高商业价值和研究意义。
根据《通信电源和空调集中监控系统技术要求》中的定义,通信电源监控系统所要实现的基本功能有:一是对通信电源设备的监测与控制,主要由监控模块负责完成;二是对监测数据的记录、处理、管理和分析,主要由县级监控中心和区域监控中心共同负责完成[1-2]。在本系统中,采取了将传统的三层结构简化为两层结构的方案,而且下位机部分应能够脱离上位机单独工作。因此,下位机部分必须能够完成监控模块的全部功能和监控中心的部分功能。下文将着重对该通信电源监控系统下位机硬件电路的设计思想和实现方案进行了详细地论述。
2 系统的总体监控要求
目前的通信电源系统中采用了许多新技术、新工艺,其自身的可靠性和智能化程度都有了很大的提高,对集中监控的要求也就相应的降低。因此在选择监控对象时应尽量精简,以方便、实用为基本准则,可要可不要的监控对象应尽量取消,以遥测、遥信为主,遥控为辅。
下位机所要完成的主要功能是:实现数据的现场采集、实时响应远端控制、监测系统的异常情况、并进行声光报警以及紧急处理;同时在上位机出现故障或通信网络故障的情况下,能够独立完成监控任务。
3 硬件电路的设计
从以上的分析可以看出,在通信电源监控系统中,所需采集和处理的数据量较大,如果只使用单个的处理器可能会造成系统的负荷过重,稳定性和可靠性都难以保证。因此,在本系统中采用了松耦合结构的多微处理器系统。这种系统具有处理能力强、响应速度快、可靠性高以及配置灵活的优点。多微处理器系统通常由一组主、从部件和互联网络组成,其常规结构如图1所示:中央处理器负责完成系统中的主干功能,中间处理器和现场处理器配合中央处理器完成一些辅助性的工作,比如数据采集、通信等功能;
互联网络是实现多微处理器系统的关键,各个处理部件之间依靠它进行数据的交换。基于以上的分析,在兼顾功能要求和便于系统软件设计的基础上,本系统共采用了三个微处理器:其中主处理器部分采用了MC68332微处理器,通信处理器部分采用了 DS80C320,蓄电池监控单元则采用了ATS5150,系统的总体设计方案原理框图如图2所示。
按照模块化的要求,系统共分为微处理器及外设模块、模拟量采集模块、开关量采集模块、控制量输出模块、人机接口模块、声光报警模块以及通信模块。
3.1 主处理器及其外设模块
主处理器部分采用了MOTOLORA公司的32位微控制器MC68332,它是一种积木式的单片机,具有卓越的数据处理能力和强大的外围子系统,主要包含以下几个微处理模块:系统集成模块(SIM)、中央处理单元(CPU32)、时间处理单元、以及静态RAM模块。同时为了进一步增强系统的功能,扩展了以下几个部分:1)数据不挥发存储器;2)看门狗电路;3)主从处理器互联模块;4)实时时钟电路。
3.2 模拟量采集模块
模拟量采集模块主要包括信号预调理电路、量程在线转换电路以及模数转换主电路。
3.2.1 信号预调理电路
信号预调理电路的作用在于将不同范围的电压、电流信号转换为模拟开关和模数转换器所要求范围的电压信号。针对不同的信号必须采用相应的预调理电路,此处对交流电压、电流信号调理部分均采用了电流型的互感器;直流电压的调理电路采用了带负反馈的光隔放大电路;直流电流的调理采用了霍尔传感器,同时为了调整方便,将霍尔传感器的输出经过电阻分压以后,通过两级反向放大后送入A/D转换器。
3.2.2 量程在线转换电路
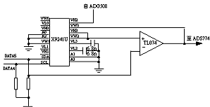
在通信电源监控系统中,由于所要处理的信号十分复杂,电平高低相差很大。因此,如何实现测量量程的在线转换,一直是人们所关注的问题。通常的转换方法是采用程控增益放大器,或者是多路输入的形式,这必然以增加电路的复杂性和降低可靠性作为代价。本系统中采用了数字电位计X9241来实现测量量程的在线转换。XICOR公司的X9241内部集成了四个非易失性E2POT。其中每一个E2POT包含有63个电阻单元,一个滑动端计数寄存器(WCR)和四个可以由用户读出和写入的8位数据寄存器。滑动端计数寄存器的内容用来控制滑动端在电阻阵列中的位置,并且可以和数据寄存器之间进行双向的数据传输。其具体的通信规约和时序可参见参考文献[3]。
由于MC68332没有I2C接口部件,与X9241的互联很不方便。但是通过时序分析发现,可以通过通用I/O总线和一个定时器来模拟I2C总线的功能,即采用处理器的两根口线分别作为SDA和SCL总线,通过内部定时器产生所需要的时钟。具体电路连接电路如图3所示。
通信电源通常被称为通信系统的心脏,其工作不正常,将会造成通信系统故障,甚至导致整个系统瘫痪。美国APC公司的一项调查结果表明,大约有75%以上的通信系统故障都是由于电源设备故障或者是电源设备不符和技术条件而引起的。同时随着通信电源向小型化、模块化发展、供电方式由集中供电向分散供电转变,以往的人工监控模式难以适应,从而使得可靠性更加难以保障。为此,我们研制了一套本地用通信电源监控系统,该系统采用模块化、通用化设计,从而具有较高商业价值和研究意义。
根据《通信电源和空调集中监控系统技术要求》中的定义,通信电源监控系统所要实现的基本功能有:一是对通信电源设备的监测与控制,主要由监控模块负责完成;二是对监测数据的记录、处理、管理和分析,主要由县级监控中心和区域监控中心共同负责完成[1-2]。在本系统中,采取了将传统的三层结构简化为两层结构的方案,而且下位机部分应能够脱离上位机单独工作。因此,下位机部分必须能够完成监控模块的全部功能和监控中心的部分功能。下文将着重对该通信电源监控系统下位机硬件电路的设计思想和实现方案进行了详细地论述。
2 系统的总体监控要求
目前的通信电源系统中采用了许多新技术、新工艺,其自身的可靠性和智能化程度都有了很大的提高,对集中监控的要求也就相应的降低。因此在选择监控对象时应尽量精简,以方便、实用为基本准则,可要可不要的监控对象应尽量取消,以遥测、遥信为主,遥控为辅。
下位机所要完成的主要功能是:实现数据的现场采集、实时响应远端控制、监测系统的异常情况、并进行声光报警以及紧急处理;同时在上位机出现故障或通信网络故障的情况下,能够独立完成监控任务。
3 硬件电路的设计
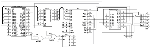
从以上的分析可以看出,在通信电源监控系统中,所需采集和处理的数据量较大,如果只使用单个的处理器可能会造成系统的负荷过重,稳定性和可靠性都难以保证。因此,在本系统中采用了松耦合结构的多微处理器系统。这种系统具有处理能力强、响应速度快、可靠性高以及配置灵活的优点。多微处理器系统通常由一组主、从部件和互联网络组成,其常规结构如图1所示:中央处理器负责完成系统中的主干功能,中间处理器和现场处理器配合中央处理器完成一些辅助性的工作,比如数据采集、通信等功能;
互联网络是实现多微处理器系统的关键,各个处理部件之间依靠它进行数据的交换。基于以上的分析,在兼顾功能要求和便于系统软件设计的基础上,本系统共采用了三个微处理器:其中主处理器部分采用了MC68332微处理器,通信处理器部分采用了 DS80C320,蓄电池监控单元则采用了ATS5150,系统的总体设计方案原理框图如图2所示。
![]() | ![]() |
| 图1 常见多微处理机结构图 | 图2 系统硬件原理框图 |
按照模块化的要求,系统共分为微处理器及外设模块、模拟量采集模块、开关量采集模块、控制量输出模块、人机接口模块、声光报警模块以及通信模块。
3.1 主处理器及其外设模块
主处理器部分采用了MOTOLORA公司的32位微控制器MC68332,它是一种积木式的单片机,具有卓越的数据处理能力和强大的外围子系统,主要包含以下几个微处理模块:系统集成模块(SIM)、中央处理单元(CPU32)、时间处理单元、以及静态RAM模块。同时为了进一步增强系统的功能,扩展了以下几个部分:1)数据不挥发存储器;2)看门狗电路;3)主从处理器互联模块;4)实时时钟电路。
3.2 模拟量采集模块
模拟量采集模块主要包括信号预调理电路、量程在线转换电路以及模数转换主电路。
3.2.1 信号预调理电路
信号预调理电路的作用在于将不同范围的电压、电流信号转换为模拟开关和模数转换器所要求范围的电压信号。针对不同的信号必须采用相应的预调理电路,此处对交流电压、电流信号调理部分均采用了电流型的互感器;直流电压的调理电路采用了带负反馈的光隔放大电路;直流电流的调理采用了霍尔传感器,同时为了调整方便,将霍尔传感器的输出经过电阻分压以后,通过两级反向放大后送入A/D转换器。
3.2.2 量程在线转换电路
在通信电源监控系统中,由于所要处理的信号十分复杂,电平高低相差很大。因此,如何实现测量量程的在线转换,一直是人们所关注的问题。通常的转换方法是采用程控增益放大器,或者是多路输入的形式,这必然以增加电路的复杂性和降低可靠性作为代价。本系统中采用了数字电位计X9241来实现测量量程的在线转换。XICOR公司的X9241内部集成了四个非易失性E2POT。其中每一个E2POT包含有63个电阻单元,一个滑动端计数寄存器(WCR)和四个可以由用户读出和写入的8位数据寄存器。滑动端计数寄存器的内容用来控制滑动端在电阻阵列中的位置,并且可以和数据寄存器之间进行双向的数据传输。其具体的通信规约和时序可参见参考文献[3]。
由于MC68332没有I2C接口部件,与X9241的互联很不方便。但是通过时序分析发现,可以通过通用I/O总线和一个定时器来模拟I2C总线的功能,即采用处理器的两根口线分别作为SDA和SCL总线,通过内部定时器产生所需要的时钟。具体电路连接电路如图3所示。
![]() 图3 测量量程在线转换电路 从理论上讲,利用数字电位计可以实现任意量程的转换。但由于模数转换器精度的限制以及通信电源监控系统高实时性的要求,选取过多的转换点反而会收到事倍功半的效果。通过试验发现,只需1:1,1:2,1:5,1:10,1:20,和1:50六种量程就可以保证输入信号在模数转换器的2/3量程附近,因此,在这里巧妙的利用了滑动端计数寄存器和数据寄存器之间的双向数据传输功能,实现上述六种量程在线转换。具体的实现方法是:在两个E2POT的R0中存储值为01H,由于上电复位时滑动端计数寄存器会自动装入R0中的值,因此初始化时,放大器为一跟随器,当需要测量微弱电流时,根据初次采集得到的值,与事先设定的参考值进行比较,选择合适的量程进行放大后重新采集。 在采用这一技术之后,数据采集的精度有了较大的提高。但同时这一电路有时会在输出端产生振荡,造成输出波形失真,解决方法是在放大器输入和反馈端串联两个电阻,增加其到输入端的衰减通道。 3.2.3模数转换主电路 在模数转换部分,根据系统采样精度和速度的要求,我们采用了AD公司的高速模数转换ADS774。它是一种采用CMOS技术的低功耗、高采样速度的12 位模数转换器,从模拟量输入到转换结束的时间为8.5us,采样频率可达117khz,而且具有内部的采样和保持电路,其自身就是一个完备的数据采集系统。ADS774的具体工作时序和工作原理可参见文献[3],在此不再敷述。 3.3 开关量采集模块 开关量的采集正确与否直接影响控制的准确程度。作为通信电源监控系统中的开关量采集电路必须满足几点要求:一是采集电路的接入不能干扰原电源设备的工作状态;二是采集电路不允许有误读,否则将会引起监控系统的误控;三是开关量调整后应该符合监控系统的接口要求,低电平为0~1V,高电平为3.6~5V。这就要求采集电路必须具有较高的可靠性和隔离度[4]。图4给出了开关量采集电路的调理电路。
|











