• 易迪拓培训,专注于微波、射频、天线设计工程师的培养
首页 > 电子设计 > 电源技术 > 电源技术 > 什么是选频放大器

什么是选频放大器

录入:edatop.com    点击:

一、工作原理与双T电桥的频率特性

  选频放大器,它从多种频率的输入信号中,选取所需的一种频率信号加以放大下图所示的方框图可以构成选频放大电路,其中方框K是基本放大电路,方框F是选频负反馈网络,因此,选频放大器实质上是一种具有选频作用的负反馈电路。电路的闭环益为
KF=K/(1+FK)
式中:K=UO/Ui是开环增益
F=UF/UO 是反馈系数

  一般用RC选频网络实现选期,图(b)示出反馈系数F随频率f的变化曲线(频率特性),当f=fo时,则F=0。所以,对谐振频率fo来说,放大电路不存在负反馈,故KF=K,此时放大器的输出电压最大。随着频率远离fo,F就急速地增加,相应的KF也很快衰减至零,见上图C因而,偏离fo点的其它无用频率的输出电压也就很小很小了,至于KF的衰减快慢,主要是取决于反馈网络的选频特性,通常用双T电桥的RC选频网络,它在实际使用中,最常用的有两种:

等一种是非对称双T电桥如上图所示,假设电源内阻RS=0,负载RL=00,则计算公式如下:
谐振角频率ωO=1/RC-------------------------1式
品质因数Q=[1/2(1+a)]=[fo/2△fo.7]---------2式
传输系数(反馈系数)的模、幅角分别为:

---------------------3式
φ =arctg1/QY
式中:Y=σ-(1/σ)是广义失谐系数
σ=f/fo是相对失谐系数-----------------------4式
2△fo.7主为半功点的带宽
由2式可见:对固定的谐振频率fo来说,Q越大,则通频带越窄;反之Q越小,则通频带越宽,因此,Q的大小可以反应出双T网络的选择性好坏。这种双T电桥的优点是Q较大,但输入阻抗低,输出阻抗高,与放大器联接不便,由于桥臂参数不同,选用和调节也带来麻烦,只有选择性要求较高,才使用非对称双T电路,该电路的输入、输出阻抗及相角变化情况请参看最上面的图其中a通常选用(0.1-0.2)可得到较大的Q值。
第二种是对称双T电路,如下图-3所示,计算公式如下:

谐振频率:ω0=

品质因数:Q=

  显然,Q与n有关,当n=1时,则Qmax=0.25,但调节不便,为了调节方便,经常选用n=0.5,相应于三只电阻数值相等;或选用n=2,相应于三只电容数值相等,由于对称双T电桥,在选择元件和调整上都比较方便,故得到广泛的应用,
传输特性不对称性的校正方法:
  实际使用中,由于RS≠O和RL≠OO而且有时双T网络与放大器使用交流耦合,例图4(A)的情况,信号源(ES及RS)经CS与双T耦合,由于频率为零时,容抗1/ωCS为无限大,所以F=O;而当频率很高时,则CS、C2、C3容抗很小,此时F近似为RL/(RL+RS);由于ZS、RL不影响谐振频率,仍然在f=fo时,F=0;因此,F随频率变化的曲线如图4(B)示,由图可见,传输特性是不对称的

  Z3和RL的存在不但使F的幅频特性畸变,而且也使它的相频特性产生不对称,如果在谐振点附近的相移超过π/2,加上某此附加相移的作用,在这次闭环放大电路里,就会引入正反馈而发生自激振荡。为了消除这种不良现象,在电路图4(A)的RL两端并接上电容CL,在CL的作用下可F的幅相特性得到校正见图4(B),理相校正时,应满足下式关系:
R1C1=R2C2=RLCL=RSCS
R1R2=(1+n)RLRS
如果耦合电容接于负载端,则必须在输入端1、1’并接电容CS,理想较正条件仍如上式关系
如果,双T与放大咕嘟使用直接耦合方式,则不必接入CS或CL,此时,F的振幅、相移特性的对称条件可简化为:
R1R2=(1+n)RSRL
R1C1=R2C2
必须注意:
(1)双T网络与放大器直接耦合,虽然选择性较高,但直流工作点将受到影响,调整因难;
(2)要使内阻ZS尽量减小及负载ZL尽量加大,否则会明显地降低双T的选择性,因此基本放大电路应前后接入射极跟随器或源极跟随器,以满足双T网络的要求,(3)在元伯参数有误差的影响下,,也会破坏了双T的平衡条件,使幅频、相频特性发生变化,因此双T网络的元件应按照具体要求,必须经严格选出温度特性好,工作稳定的元件,并要进行老化


图4(A)


图4(B)


图4(C)

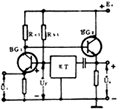
二、双T电桥与放大器的连接方式

双T电桥与放大器的连接方式见下表



电路

特点

双T反馈电压UF与输入信号Ui同时加入放到放大器的输入端,Ui加到BG1的发射极,而UF加到基极,属串联电压负反馈电路,电路的闭环增益为KF=K/(1+FK),谐振时,因F=0,故KF=K=最大;严重失谐时,因FK>>1,故K=1/F≈1

UF和Ui同时加入到BG1的基极,属于并联电压负反馈电路,使用这种联接方式时,要求信号源内阻RS足够大,否则双T电桥因负载太小会明显地降低选择性,该电路的闭环增益与上述电路相同,



UF加入至基本放大电路的中间级BG1的基极,使UF比Ui多了一级放大,即UF经BG1、BG2、BG3三级放大,而Ui经BG2、BG3两级放大。电路的闭环益为KF=K/(1+K1F),谐振时因F=0,故KF=K=最大,严重失谐时,因FK1>>1,故KF=K/K1<1。因此,从减小失谐时的最小输出电压来说,它比第一类电路好。



输入信号Ui接于双T电桥并臂C3R3与地之间,使Ui既作用于BG1的输入端,又作用于BG2的输出端,使电路的闭环益变为KF=(1-F)K/(1+KF),谐振时,因F=0,故KF=K=最大;严重失谐时,因F.K>>1及F≈1,故KF=0,从严重失谐时的最小输出电压来说,这种电路最好,但调节麻烦

三、实用电路分析与调整方法
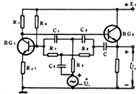
1、电路分析

  图5为固定频率的晶体管选频放大电路,谐振频率是100赫,通频带小于6赫,谐振点的增益|KF|=70,它属于第一类选频放大电路,BG1、BG2组成共射放大电路,输入信号Ui与反馈电压UF分别加于两管的基极[UF先经射随器BG4再送到BG2基极],其作用是:一方面增加选频放大电路的输入电阻,另一方面可使双T的负载电阻[即BG4的输入电阻]增加,以消除输入信号源内阻RS对双T的影响,BG3也是射随器,它使双T的电源内阻减小,从而提高了电路的选择性,双T电桥为非对称型,它与放大电路交流耦合,故用CL来校正幅频相频特性的对称性。


图5

2、调整方法

  为了降低对电阻精度的要求和便于调虎离山节,R2(或R3)分别用一只固定电阻R’2(或R’3)和电位器R’2(或R’3)组成,电位器数值为R2(或R3)的10-20%为宜[若固定电阻,误差是5%],然后按要求精度来选电容。


图6

调整步骤
(1)按图6电路双T网络进行粗调,信号源选频率100赫,输入电压大于2伏,然后反复调电位器R’2和R’3务必使输出电压最小,对于定点频率的双T网络,使Fmin=0.002是不因难的(即衰减54分贝)注意在图5电路中,对双T网络来说,右边为输入端,左边为输出端,另外,信号源的非线性失真要小,否则很难使Fmin=0.002.
(2)调放大器的直流工作点,
由于基本放大电路是直接耦合放大器,各级工作点彼此有牵连,所以只要调节偏置Rb1、Rb2使Ue3为6-7伏即可。
(3)调放大器的无反馈(开环)增益,从BG1基极输入信号(f=100和赫)调节输入幅度,使输出波形不失真,并求K=UO/Ui=70,若K>70,则减小Re2;反之,若K< 70,可增加Rc2,直至K=70为止。
(4)双T电桥细调
拉入双T电桥,因双T已调准于f=100赫及Fmin≈0的,又因双T的输入阻抗比放大器的输出阻抗大很多,所以接入双T电桥后,对谐振点来说,负反馈为零。因此,应该不影响放大器的增益,根据这个道理,若接入双T网络后,K略小于70(因双T总有点负载效应),则说明电路是正常工作的;若接入双T网络后,K大于70,则说明双T在谐振点处引入正反馈,这时应调大R’3,使K减小至70;反之当接入双T网络后,K减小较大,则说明了双T在谐振处Fmin≠O,故引入负反馈,致使K减小,此时可适当调小R’3,务使K增大到70为止。
在调试过程中,如果发现自激现象,则应首先把自激消除后,再进行调试,有三类自激振荡1、谐振点附近的自激,因为在fo附近双T电桥产生正反馈,可调节R3使自激消除,2、在极低频率附近(约几赫)时,是由于双T网络的幅频相频特性不对称,加上极低频率时,放大器的耦合电容或旁路电容会引入附加相移,从而构成了正反馈,因此,消除这类自激振蒎,可以改用直耦放电路或将耦合电容、旁路电容的数值减少,尤其要注意双T网络与放大器的耦合电容C4的影响;3、高频自激振荡(约几十千赫)消除方法是收缩放大器的通频带,使高端增益讯速地衰减,例如图5电路中接入Cm,使BG2的负载变为R2与Cm并联,选取Cm的数值,使其在低频时,Cm不起作用,而在自激频率附近,造成了BG2的阻抗突然急剧地减小,从而使自激消除,

射频工程师养成培训教程套装,助您快速成为一名优秀射频工程师...

天线设计工程师培训课程套装,资深专家授课,让天线设计不再难...

上一篇:什么是开关树型DAC(数模转换器)
下一篇:什么是权电流型DAC(数模转换器)

  网站地图