- 易迪拓培训,专注于微波、射频、天线设计工程师的培养
智能充电系统电路模块设计
电路采用了AC /DC-DC /DC 的设计结构, 首先是220V 的交流市电经EMI滤波、PFC校正电路变为380V 的直流, 然后经DC /DC 半桥变换及相应的控制电路, 保证输出电流电压满足充电电池的需求。其中APFC 控制电路主要由MOSFET 管、Boost升压电感、控制芯片ICE2PCS01以及直流滤波电容组成。DC /DC变换采用半桥式拓扑, 主要由高频变压器、MOSFET 管以及LC 滤波电路组成。控制部分通过对蓄电池端电压、电流信号的采集反馈, 由SG3525产生双路PWM 波控制半桥拓扑中MOSFET管的通断时间来控制充电电流和电压, 其控制部分还包括对电流、电压、温度的采集监测以及实时显示。
APFC电路设计
本设计选择工作于连续调制模式下的平均电流型升压式APFC 电路来实现较为合适。具体的电路设计如图2 所示, 控制芯片选用ICE2PCS01.由ICE2PCS01构成的有源功率因数校正电路。

图2 有源功率因数校正电路
半桥式逆变部分设计
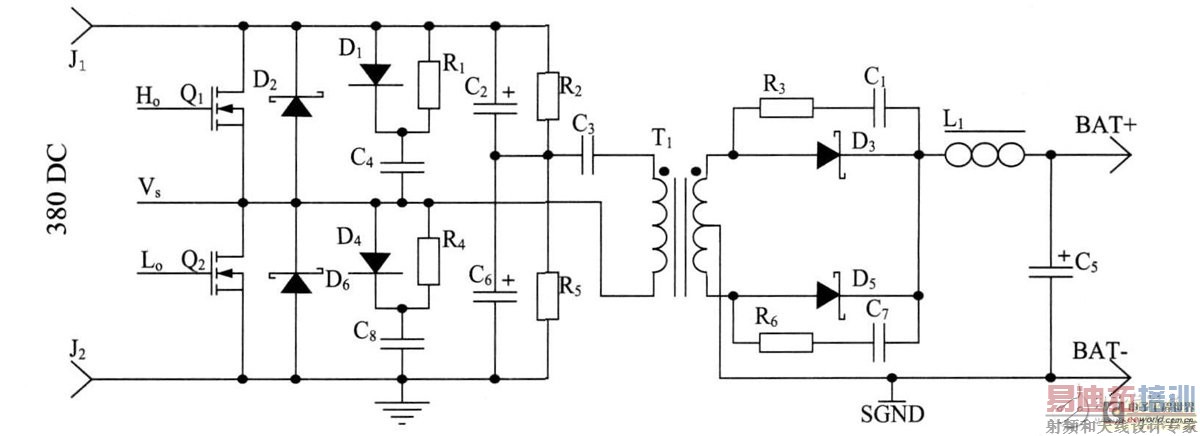
DC /DC变换是该充电电源的关键部分, 同时也是难点所在。整机性能的好坏、质量优劣、成本高低在很大程度上取决于该逆变桥路。该部分如图3所示, 主要包括变换器拓扑结构的选择、功率管选择、变压器设计、吸收回路设计及滤波回路设计等。

图3 半桥变换电路
车载智能充电系统用了电压回路和电流回路的双闭环控制, 可以提供恒流充电、恒压充电、慢脉冲快速充电以及它们之间的自动转换等功能, 能够实现铅酸蓄电池快速无损伤充电的需求。充电电源作为车载变流器, 采用功率因数校正以及隔离变压调制的方式, 具有体积小、重量轻、可靠性高、整机变换效率高、对供电电网干扰小等特点。同时整个系统还增加了多种保护电路和改善电源动态特性的措施, 安全性符合车用设备的通用规范。
射频工程师养成培训教程套装,助您快速成为一名优秀射频工程师...
天线设计工程师培训课程套装,资深专家授课,让天线设计不再难...
上一篇:20V稳压输出具5A电流限制
下一篇:带多个线性稳压器的开关模式电源

