- 易迪拓培训,专注于微波、射频、天线设计工程师的培养
基于CC2480的Zigbee无线水表自动抄表系统研究与设计
摘要:随着科技的飞速发展,传统抄水表技术已不再适合当今物业管理的需要,无线自动抄水表技术与其相比具有不入户、管理费用低,快速以及避免误抄、错抄等优点。基于此设计了一种无线抄表系统,该设计共包含远程用户终端模块和无线收发模块两部分,这两部分都采用射频芯片CC2480和相应的电路组成,并采用T1最新推出的首款Z-Aeee1系列处理器。用二进制计数方法读取水表数据.然后通过射频部分收集此数据。实现不入户采集多户数据,且成本较低。
关键词:Zigbee;无线网络;IEEE 802.15.4规范;CC2480;传统抄水表;无线抄水表
0 引 言
随着现代科技的飞速发展,无线抄表系统越来越受到人们的亲睐并逐渐取代了传统的抄表系统传统抄表系统大致可以分为三类:智能卡水表、有线自动抄表系统、无线智能水表。其中有线自动抄表系统又可分为分线制集中抄表和总线制集中抄表。由于前两种方式都存在着不利因素,故目前无线自动抄表系统越来越受到业界的瞩目。
l Zigbee技术简介
1.1 Zigbee技术概述
Zigbee采用IEEE 802.15.4通信标准,工作于免申请和免费使用的2.4 GHz频段,是一种新兴的短距离、低功耗、低数据速率、低成本、低复杂度的无线网络技术,主要用于近距离传输,适合用于无线数据采集、无线工业控制、消费性电子设备、汽车自动化、家庭和楼宇自动化、医用设备控制、远程网络控制等场合。Zigbee技术同Bluetooth,Wi-Fi相比较具有如下优点:
数据传输速率低:10~250 KB/s,专注于低传输应用。
功耗低:在低功耗待机模式下,两节普通5号电池可使用6~24个月。
成本低:Zigbee数据传输速率低,协议简单,所以大大降低了成本。
网络容量大:网络可容纳65 000个设备。
时延短:典型搜索设备时延为30 ms;休眠激活时延为15 ms;活动设备信道接入时延为15 ms。
网络的自组织、自愈能力强,通信可靠。
数据安全:Zigbee提供了数据完整性检查和鉴权功能,采用AES-128加密算法,各个应用可灵活确定其安全属性。
1.2 Zigbee网络拓扑结构
Zigbee技术具有强大的组网能力,可以形成星型、树型和MESH网状网如图1所示。实际中根据需要选择合适的网络结构。

网络协调器就是网络中的中心节点,是网络的组织者,负责网络组建和信息路由;全功能设备FFD可作为协调器使用,是具有路由与中继功能的网络节点,可以与RFD节点通信,也可以与别的FFD节点通信;精简功能设备RFD节点作为网络终端节点,相互间不能直接通信,只能通过FFD节点发送和接收信息,不具有路由和中继功能。但FRD和FFD的硬件结构完全相同,只是网络层不一样。
2 设计方案
本设计主要用于楼宇水表的自动抄表,抄表人员可以不用进入各个住户而将表数据读回。图2为单元楼内Zig-bee通信框图。总体设计为首先在单元楼内安装一个Zigbee数据采集模块,用于方便读表人员收集各住户水表数据;同时还要在各住户家中安装一Zigbee远程用户终端模块,其主要用来读取水表的数据然后通过Zigbee的射频部分将数据传输到Zigbee的数据采集模块。
2.1 CC2480介绍
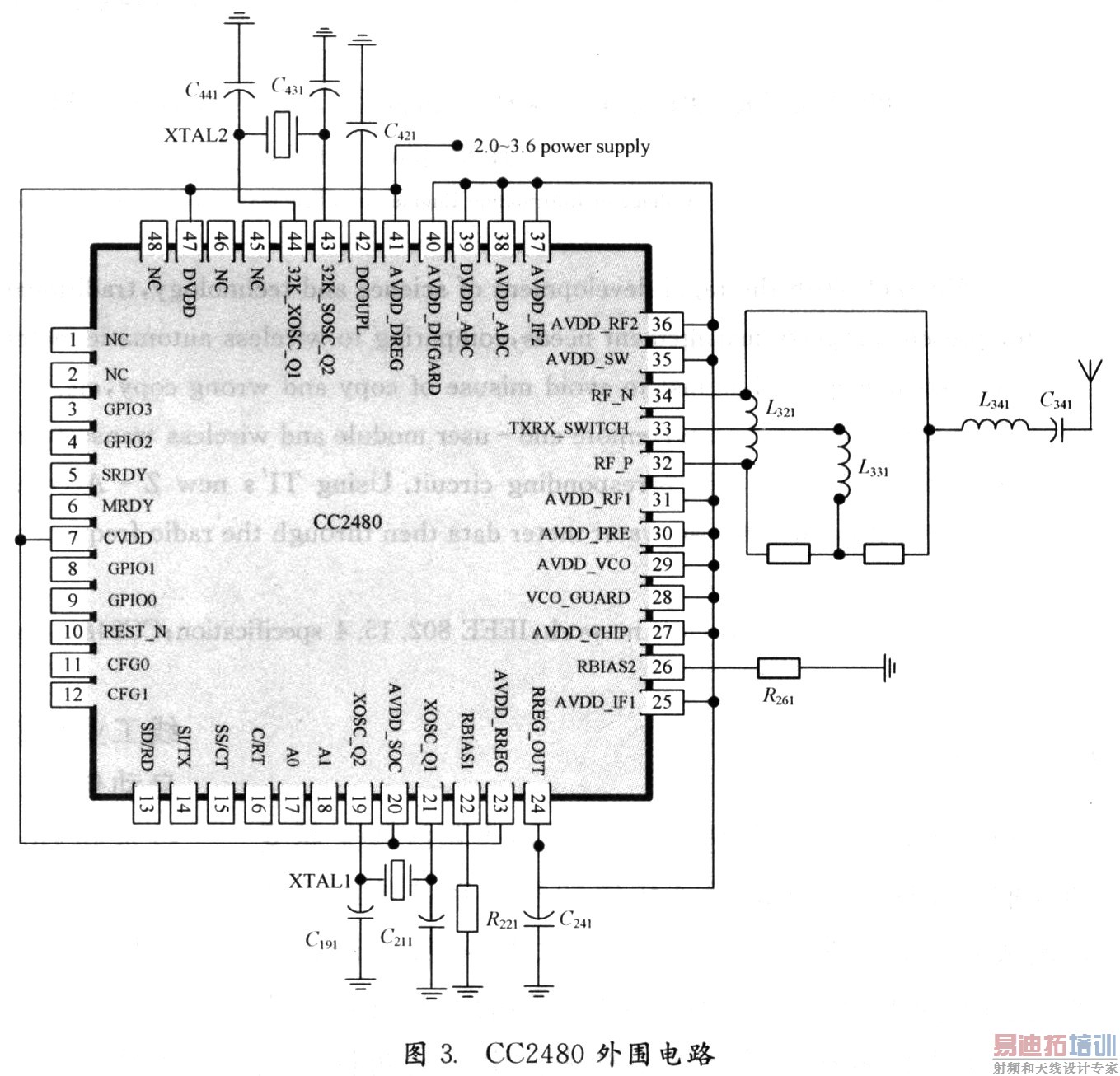
Zigbee远程用户终端模块和Zigbee数据采集模块中,Zigbee部分采用德州仪器(TI)近日宣布推出最新Z-Accel系列2.4 GHz Zigbee认证网络处理器中的首款产品——CC2480来完成,CC2480只需要很少的外围器件(外围电路如图3所示)且该器件无需了解繁琐的全功能Zigbee协议栈,从而减少开发时间并简化了Zigbee功能。CC2480不仅能够通过SPI或UART接口与各种MCU通信,还能与TI的MPS430超低功耗MCU等器件相结合。Z-stack软件Zigbee-2006协议栈可以在Zigbee处理器上运行,而应用程序则能在外部MCU上运行。CC2480能够处理所有时序关键型与处理密集型Zigbee协议任务,而将应用MCU的资源占用的空间释放出来用于满足其他程序的要求。图2单元楼内Zigbee通信框图
[p]
2.2 Zigbee远程用户终端模块
Zibbee远程用户终端模块安装于单元楼中各住户家中。在远程用户终端模块中采用8条数据线来实现读取水表数据,其中8条数据线与水表连接部分此处不做讨论。Zigbee远程用户终端模块如图4所示。其中,数据线1,2,3用于通过三线译码来控制水表数据的某位;数据线4,5,6,7用于显示水表某位上的数据;8为地线。例如,数据线1,2,3状态为000,则4,5,6,7位显示数字为水表第一位数字读数;数据线1,2,3状态为111,则4,5,6,7位显示数字为水表第八位数字读数。在每一位读数后分别送入Zigbee模块进行处理。

2.3 Zigbee数据采集模块
Zigbee数据采集模块(见图5)安装于单元楼中的一层或比较方便读表员读表的位置。当Zigbee模块收到数据时通过LED驱动芯片将数据输出到LED显示器上,这样读表人员就可以清楚读数,其中前两位用于显示各住户的房间号,后六位用于显示对应房间号的水表数据。键盘用于控制LED显示器。其中,智能键盘和LED驱动及USB驱动分别采用芯片RIC16C63和芯片USBN9602。


RIC16C63是一款高性能8位微处理器,具有优越的RISC结构,指令系统只有35条指令。具有UARST,SPI,I2C多种串行驱动功能,片内有三个定时器。其特点如下:
(1)与CPU链接方式采用I2C接口(也可采用USART串行通信接口方式或三线制SPI接口方式)。
(2)最多16个键盘输入,可提供键盘中断信号。
(3)可提供8个LED数码管,可选择BCD码数字驱动方式或段驱动方式,具有LED亮度软件设置功能。
(4)同时执行键盘和显示操作。
USBN9602是标准双列直插式28引脚芯片。芯片内部总共带有7个传送/接收FIFO缓冲器,1个双向传送和接收FIFO缓冲器,3个单向传送FIFO缓冲器,3个单向接收FIFO缓冲器。USBN9602广泛用于测控技术、数据采集、信号处理等。
3 结 语
以Zigbee网络技术为支撑的无线自动抄水表系统,相比人工抄表方式或其他自动抄水表系统大大降低了运行成本和功耗,工作效率明显提高,节点硬件也易于实现,避免了有线抄表系统施工布线带来的各种问题。本设计提出的方案,硬件已经实现,当用户用水时用户水表的液轮滚动,Zigbee远程终端用户模块通过译码方式采集到水表数据,然后通过此模块的射频部分传输到Zigbee数据采集模块。采集到的数据有时有延时,主要原因可能是Zigbee的射频部分所致,因此,还要经过大量实验,调节Zigbee的射频部分,使采集到的数据更加精确。
射频工程师养成培训教程套装,助您快速成为一名优秀射频工程师...

