- 易迪拓培训,专注于微波、射频、天线设计工程师的培养
基于ADP1650设计的1.5A LED闪光驱动技术
录入:edatop.com 点击:
ADP1650是ADI 公司的集成了I2C兼容接口的1.5A LED闪光驱动器.器件集成了1.5MHz或3.0MHz同步电感升压转换器,I2C兼容接口和1500mA电流源.火炬模式电流高达200mA,效率大于90%(峰值),主要用在照相手机和智能手机以及数码相机,摄像机和PDA.本文介绍了ADP1650主要特性,应用电路以及ADP1650 评估板套件主要特性。

图1.ADP1650功能方框图 
图2.ADP1650 评估板外形图
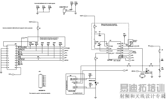
图3.ADP1650 评估板主板电路图
图4.ADP1650 评估板子板电路图
图5.ADP1650 LED插板电路图
图6.ADP1650- EVALZ电路图
射频工程师养成培训教程套装,助您快速成为一名优秀射频工程师...
天线设计工程师培训课程套装,资深专家授课,让天线设计不再难...
上一篇:电压法LED结温及热阻测试原理
下一篇:LED散热基板的设计及分类
射频和天线工程师培训课程详情>>

