- 易迪拓培训,专注于微波、射频、天线设计工程师的培养
基于C8051F020的自动测控LED节能照明系统的设计
摘要: 提出了一种可根据环境光强、红外和温度变化而实现自动开关、调节亮度的LED照明系统的设计方案。采用单片机C8051F020为系统控制核心,设计了由硅光电池和集成运放组成的光强传感器,选用热释电模块作为红外无线感应器,采用DS18B20为温度传感器,还利用液晶实现了工作信息显示。实验结果表明,系统在光强大于2 170 lx或温度高于82.5 ℃时能自动关断,当光强小于1 040 lx或温度低于49.3 ℃时能自动开启;当光强在1 000~2 000 lx变化时,LED亮度能自动调节,以维持环境照度基本稳定。
LED号称“绿色照明的第四代光源”,目前已开始逐步应用于电信、交通、农业、医学、军事等领域。LED(Light-emitting Diode,发光二极管)是一种固态的半导体组件,能够把电能直接转化为光能。作为一种固体照明光源,LED具有长寿命、高光效、多光色等特性,可在安全低电压下工作,也可连续开关闪断,能实现0%~100%调光。
本文阐述一种基于单片机C8051F020自动测控LED节能照明系统的设计方案。该系统能够对LED灯的发光强度进行调控,当环境光强减弱时自动提高LED的发光强度,当环境光强变强时自动减弱LED灯的发光强度,维持环境光强值的稳定并达到节能的效果。同时,系统还具有光强、温度、红外3种感应开关控制LED灯的开与关,再加上过压、过流保护措施,进一步提高节能效率并保证照明系统的正常工作。此外,系统还使用液晶实现LED照明工作信息的外部显示。该系统可应用于如楼道照明、工作照明、设备照明等很多场合。
1 总体设计方案
本系统采用单片机C8051F020为核心来实现LED照明灯的自动测控,系统的整体框架如图1所示。

图1 系统的整体框架
整个系统的设计分硬件设计和软件设计,硬件设计又可分为供电驱动模块、自动测控与显示模块3部分。
供电驱动模块实现的过程为:12~24 V的直流供电输入,经过过压保护电路后向SN3350芯片构成的LED驱动电路提供安全电压,驱动电路驱动LED照明灯正常工作。自动测控与显示模块主要包括光强传感器、温度传感器、红外无线传感器和液晶显示器。光强传感器采用了硅光电池和集成运放组成光电转换电路,将环境中光照强度转换为电压信号,经过单片机的A/D转换,依据实测电压和光照的关系曲线,将相应电压值转化为照度并经由LCD1602液晶显示;温度传感器采用了DS18B20芯片电路,将实时的环境温度转换为电信号传递给单片机分析处理,同样经LCD1602液晶显示;红外无线传感器采用以BISS0001为核心的热释电红外无线感应器电路,感应电路接收到信号后传给单片机控制LED照明灯的开关。
系统实现节能和自动测控的功能由单片机C8051F020实现。软件编程的思路是:由单片机内部产生PWM信号控制SN3350驱动芯片的ADJ引脚。通过改变PWM的占空比,实现对ADJ输入任意电压,进而控制LED照明灯的开关及亮度调节。
2 硬件电路设计
2.1 单片机C8051F020
本系统采用单片机C8051F020,其片内含CIP-51的CPU内核,指令系统与MCS-51完全兼容。含有64 kB片内Flash程序存储器,4 352 B的RAM、8个I/O端口共64根I/O口线、1个12位A/D转换器1个8位A/D转换器以及1个双12位D/A转换器、2个比较器、5个16位通用定时器、5个捕捉/比较模块的可编程计数/定时器阵列、看门狗定时器、VDD监视器和温度传感器等部分。C8051F020单片机支持双时钟,其工作电压范围为2.7~3.6 V(端口I/O、RST和JTAG引脚的耐压为5 V)。
2.2 LED驱动电路
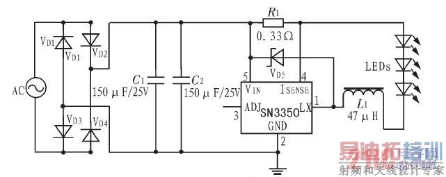
本系统选用了SN3350芯片作为LED驱动电路的核心。SN3350是一款降压型电感电流连续模式驱动芯片,适用于电源电压高于一颗或一串LED所需电压的应用场合。芯片的输入电压范围为*0 V,输出电流可达750 mA,输出功率可达30W。图2为本系统采用的LED驱动电路。

图2 LED驱动电路
[p]
图2中,3号引脚ADJ为多功能开关/亮度控制脚,其引脚特性为:
1)引脚悬空:工作在普通模式。(普通模式下VADJ=VREF=1.2 V,工作电流IOUTnom=0.1/R1);
2)输入电压低于0.2 V:关闭输出电流;
3)输入直流电压从0.3~1.2 V:输出电流调整范围从25~100%;
4)通过不同占空比的PWM信号来控制输出电流;
5)当ADJ引脚电压超过1.2 V:电流被自动钳位在100%。
SN3350的输出电流可以通过在ADJ引脚加控制信号来设置。本系统利用单片机产生PWM信号输入ADJ引脚,驱动电路依据以上引脚特性在不同的电压值下进入不同的工作模式。
2.3 光强传感器
本系统的光强传感器采用了一种光电转换电路,其原理图如图3所示。电路的作用在于,通过集成运放LM324和反馈电阻Rf,将硅光电池(相当于一个光控恒流源)输出的电流转换为电压信号输出。通过调节Rf阻值的大小,可以改变输出电压值的大小,从而能够适应后级控制电路对输入信号电压值的要求。实际应用时,光照强度影响,Is大小,进而引起Vout的改变,从而实现了将光强信号转换为电压信号。
图3 光电转换电路
表1和图4是在实际制成的光电转换电路中,使用照度计和电压表测得的光照度-电压关系。
表1 光电转换电路测试结果


图4 光照度-电压关系
[p]
由图4可见,随着环境光照度的增大,光电转换电路的输出电压也线性增大,相关度达99.1%,线性良好。这表明按照图3制成的光电转换电路的实际测试结果与理论预期符合度较好。同时,图4的光照度-电压关系直线也为软件部分的程序设计提供了重要依据。
2.4 红外无线感应器
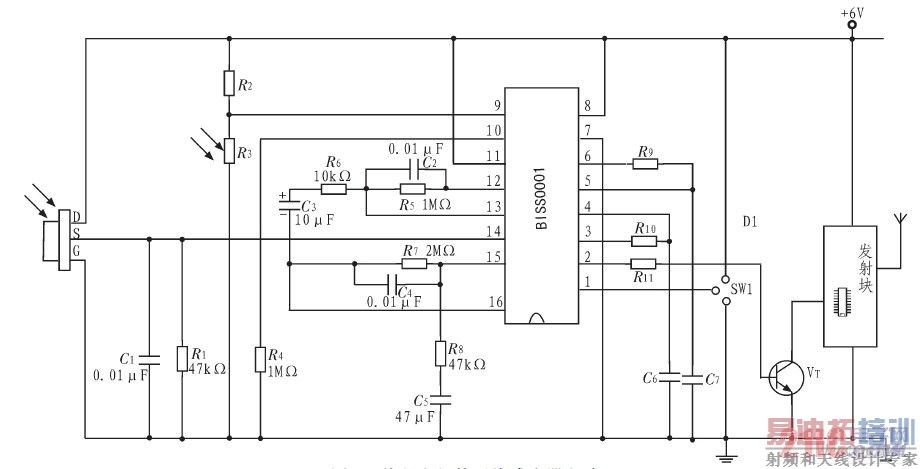
本系统的红外无线传感器采用以BISS0001为核心的热释电红外无线感应器电路。BISS0001是由运算放大器、电压比较器、状态控制器、延迟时间定时器以及封锁时间定时器等构成的数模混合专用集成电路。以BISS0001为核心的热释电红外无线感应器采用被动探测方式,其电路原理如图5所示。菲涅尔透镜(DSG)接收进入探测区域的人体所发射的波长为8~12 μm的红外线,通过热释电传感器(PIR)将光信号转变为电信号,经电路系统放大,滤波,最后将信号输出。
图5 热释电红外无线感应器电路
2.5 其他电路模块
本系统中还有2个较简单的电路模块:过压保护电路和温度传感器电路。
过压保护的意义在于。当开关电源内部稳压环路出现故障或者由于用户操作不当引起输出过压现象时,过压保护电路能进行保护,以防止损坏后级用电设备。此外,还可在系统供电电路中串接自恢复保险丝,起到过流保护的作用。
本系统的温度传感器采用Dallas半导体公司的数字化温度传感器DS18B20。这是世界上第一片支持“一线总线”接口的温度传感器。选用DS18B20为温度传感器的电路十分简洁,9位温度信号经一条总线,直接传递给单片机进行处理。
3 软件设计
软件设计的思路是先分模块独立设计,然后对各个模块进行综合整理。本系统程序设计的流程框图如图6所示。

图6 系统程序设计的流程框图
[p]
程序主要分为5个模块:亮度控制模块、温度探测处理模块、光照度探测处理模块、红外无线探测处理模块、液晶显示模块,下面对前3个较为复杂的模块分而述之。
1)亮度控制模块根据给定的LED驱动电路芯片SN3350的引脚特性,可以通过控制ADJ脚的信号的电压来控制LED的亮度。单片机80C51F020能够自行产生Vpp=5 V的PWM信号,因此可以通过控制该PWM信号的占空比来控制LED灯的亮度。依据图4的光照度-电压关系直线设定判定程序,得出对应的占空比,就能实现对于亮度的控制。
2)温度探测处理模块由于DS18B20芯片的信号输出脚输出的是数字信号,本模块的内容主要是对从DS18B20获得的数字信号进行译码,从而获得实际环境温度数值。
3)光照度探测处理模块使用图3光电转换电路探测环境光强度输出电压信号。该信号是模拟信号,因此,需要对此信号进行模数转换之后才能够用单片机进行处理。使用80C51F020自带的A/D转换模块,可以实现模数转换。光照度对应的电压信号在0~2.4 V之间,因此某一特定的电压值转换成8位的数字信号,然后通过与温度信号类似的处理从而对光进行控制。
根据本文2.2部分所述的SN3350驱动芯片控制端ADJ引脚特性,程序设计的具体方案如下:
LED灯随外界环境照度的自动调节和控制:当测得实际光照度大于2 000 lx(照度值可依据需要自行设定,下同)时,令ADJ引脚的输入电压为0,LED灭;当测得实际光照度小于1 000 lx时,令ADJ引脚的输入电压为0.3 V,LED亮;当测得实际光照度大于1 000 lx且小于2 000 lx时,令ADJ引脚的输入电压在0.3~1.2 V之间做相应变化。
LED灯随外界环境温度的自动调节和控制:当LED的温度大于80℃(温度值可依据需要自行设定,下同)时,令VADJ=0;当LED的温度小于50℃时,令VADJ=1.2 V。
LED灯随外界红外辐射信号的自动调节和控制:当热释电红外无线传感器传来感应信号时,令VADJ=1.2 V,没有信号传来时,令VADJ=0。
4 系统测试
4.1 基本工作测试
电源供电15 V;实测三盏LED灯两端的工作电压为14V;驱动电路输出电流为320 mA;过压保护测试调节输入电压大于24 V时,LED两端电压很快下降;当输入电压升至27V时LED两端电压已降至0V。
测试结果表明本系统能在低压条件下正常稳定工作,具有过压保护功能。
4.2 功能测试
1)测量与显示功能
能否显示环境光照强度:能,LCD显示环境光强可精确到1 lx;
能否显示环境温度:能,LCD显示环境温度可精确到0.1℃;
2)自动控制功能
光强改变时能否开关灯:能,光强大于2 170 lx时自动关灯;光强小于1 040lx时自动关灯(设计阈值分别为2 000lx和1 000 lx);
温度改变时能否关灯:能,温度高于82.5℃时自动关灯;
温度低于49.3℃时自动开灯(设计阈值分别为80℃和50℃);
能否维持环境光强的基本稳定:能,环境光强减弱但不小于1 000 lx时,自动提高LED的发光强度;环境光强增强但不超过2 000 lx时,自动减弱LED的发光强度;
能否感应红外辐射并开关灯:能,在有人进入LED灯一定距离(最大半径3.5 m处)时,自动开灯,并维持10 s后逐步减弱灯光亮度直至关闭。
测试结果表明,本系统具备随环境光强、温度、红外辐射变化而自动控制开关、调节光强的功能,实测数据与理论设计值符合得比较好。
5 设计过程需要注意的问题
本系统的特点是硬件模块电路较多,设计时应注意共地与接口匹配。具体来说,单片机C8051F020、LED驱动电路的SN3350芯片、光电转换电路中的集成运放LM324、热释电红外无线感应器电路的核心BISS0001芯片、DS18B20温度传感器电路和过压保护电路6个模块都要与直流电源共地。接口匹配问题主要存在于光强、红外辐射、温度3个传感器的输出口与单片机的输入口,以及单片机的输出口与液晶LCD1602、LED驱动芯片SN3350的控制引脚之间。此外,由于LM324、BISS0001、DS18B20等芯片的工作电压为5 V,小于LED照明系统15 V的工作电压,测试时需另接5 V电源,而实际制作成品时则需增加一个电平转换电路,将统一的15 V供电电压转换为5 V稳压输出给相关芯片。
在编写程序时需考虑各个传感器传送的信息被单片机处理的优先级。根据实际需要,本系统接收信号的参考优先级顺序为:温度信号、红外信号、光强信号。
6 结束语
本文设计的LED照明系统,利用单片机C8051F020作为控制核心,实现了根据环境光强、红外辐射、温度条件变化而自动开关、调节亮度等功能,突出了LED节能照明的优势,因而具有较好的实用参考价值。本系统的最大特色是功能集成度高,集测量、控制、显示为一体,包括光强、红外辐射、温度3种传感器。在实际应用中,可以根据不同需要设置相关阈值或突出某一功能。例如,应用在楼道、洗手间照明时主要用到红外辐射传感功能,无人时灯不亮,有人时灯才亮,达到了节约电能的效果;应用在办公室、教室照明时主要用到光强传感器及调光功能,使环境光强稳定在某一设定值,白天灯不亮或较暗,夜晚灯亮,从而提高电能利用率;应用在智能台灯、工件加工台照明时还可以监测工作温度(比如超过80℃时灯灭);等等。
射频工程师养成培训教程套装,助您快速成为一名优秀射频工程师...

