- 易迪拓培训,专注于微波、射频、天线设计工程师的培养
基于单片机控制的智能家庭防盗报警系统的设计
摘 要:本文设计了一种基于DTMF 技术的单片机进行远程控制的智能家庭防盗报警器,该系统能利用现有的公共电话网络随时实现异地监控家中的情况,并且家中发生危险情况时能及时将信息传递给主人,具有方便、安全的优点。
1 引言
随着我国国民经济的快速发展, 人民生活水平的提高, 人们对家庭住房的防盗、防劫、防火设备的重视程度也在不断提高, 所以现代社会有更多的人需要对偷盗、抢劫、火灾、煤气泄漏等事故进行监测和报警。为了有效的保证居民的生命财产安全, 我们设计了一款智能家庭防盗报警系统。该系统是利用无处不在的电话网络进行监控,将AT89S51 单片机、ISD4000 集成语音芯片、HT1602 液晶显示驱动芯片及集成电路组成的双音多频拨号电路等有机地结合在一起, 构成一种功能先进、实用、成本低廉的家庭智能防盗报警器。
2 电路组成框图和基本工作原理
2.1 电路组成框图
智能家庭防盗报警系统是由无线发送/ 接受模块、报警模块、键盘模块、液晶显示模块、语音模块、DTMF解/ 编码模块等构成, 系统硬件总体框图如图1 所示。

图1 系统硬件总体框图
2.2 电路基本工作原理介绍
当家中发生警情时, 此时家中设定的无线模块或者其他传感器模块会发出异常信号给单片机, 单片机接受到信号后立即发出现场声光报警信号来威慑侵入者, 同时将单片机自动拨打预先存储在24C02 中的电话号码给主人或者小区物业报警, 以便及时采取防盗措施避免财产损失。
当主人在异地想*家中的情况或者遥控家中的电器的开关时, 只需要拨打家中的固定电话号码, 因为该报警系统的电话接口是并联在电话机上的, 若铃声响五次后无人接通(具体次数可由软件设定),则该报警系统就自动模拟摘机, 在主人输入预定的密码后, 就可以*家中的动静以及控制家中电器的关、断。
当主人在家无须设防时, 该报警系统还可以显示时钟、温度等等, 还可以设定起床闹铃等多重功能, 这些都可以结合软件和相关芯片来实现。
3 系统部分电路功能介绍
3.1 MCU模块
MCU 器件采用ATMEL 公司生产的AT89S51 芯片,如图2 所示。AT89S51 是一个低功耗,高性能CMOS 8 位单片机,片内含4k Bytes ISP(In-system programmable)的可反复擦写1000 次的Flash 只读程序存储器,具有高密度、非易失性存储技术的特点, 芯片内集成了通用8位中央处理器和ISP Flash 存储单元。

图2 MCU 模块电路图 [p]
3.2 无线模块
无线模块主要是是处理红外、无线信号。包括门窗磁报警模块、火灾探测模块、有害气体探测模块等传感器模块。
在这里主要讲解门窗磁报警模块, 门窗磁探测器选用无线门磁,由一块永磁体和门磁主体(内部有一个常开型的干簧管)两部分组成,其无线接受模块的传感器应用电路图如3 所示。

图3 无线门磁接受模块传感器电路图
H1 是一个干簧管,当门闭合时,H1 吸合,C1 两端点位相同,Q1 截止,Q2 也截止;当门打开时,干簧管触点打开,有一个电流流过Q1 的发射极、R32(和H12 并联)、C1、R31、地,使得Q2 饱和导通,输出低电平0 给单片机, 发出报警信号。
3.3 报警模块
P3.2(INT0)连接防盗探测器,用来检测盗情,如果盗情发生,触发外部中断0,MCU 接到报警信号以后, 开始启动LED 等闪烁报警,同时启动100dB 的声音报警,来震慑入室的小偷, 同时把信号送给电话模块, 告诉主人或者报警中心有小偷入室。
3.4 液晶显示模块
液晶显示模块采用LCD1602 来实现,主要功能是用来显示时间、日期、家里的温度、以及报警的时候显示报警的类型等功能。

图4 液晶显示电路图
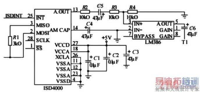
3.5 语音模块
语音模块的采用ISD4000 芯片,其连接电路图见图5 所示。
图5 语音芯片连接电路图 [p]
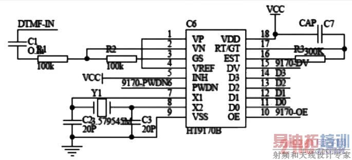
3.6 DTMF编码/解码模块
报警器电路与用户电话机共用一条电话线。选用HT9200B 做DTMF 编码器,HT9170 做DTMF 解码器,其应用电路图见图6 和图7 。

图6 HT9200B 电路图

图7 HT9170B 电路图
给HT9200B 提供确定的4 位二进制数(比如电话号码),从D0--D3 输入,就可从13 脚输出相应的DTMF 信号, 并将DTMF 信号送到电话线上, 实现自动拨号功能;HT9170 的功能主要是将输入的DTMF 信号变换为相应的二进制数,解码远程电话按键信号,传送到单片机,实现远程控制。
DTMF(Dual Tone Multi Frequency),即双音多频信令, 基本上在全世界范围内使用在按键式电话机上,一个D T M F 信号由两个频率的音频信号叠加构成。其中D T M F 信号与电话按键关系见图8 所示。

图8 DTMF 信号与电话按键关系图
3.7 电话接口模块
电话接口模块包括振铃检测电路、摘机控制电路以及回铃检测电路。
振铃检测是指当振铃一定次数(比如5 次,可由软件设定)后,若无人接听,则由主人输入密码,密码输入正确后,则由单片机自动模拟摘机,以查看家里的情况,若密码连续3 次输入不正确则强行挂机。
图9 振铃检测电路图
振铃检测电路电路图见图9 所示,25Hz 的交流振铃信号经过整流以后,再经过稳压,送入光电耦合器,再输出方波信号给单片机的外部中断0,用软件判别振铃信号。 [p]
模拟摘机检测电路电路图见图10 所示。该电路利用三极管来模拟电话摘机。当Q 4 基级为低电平时, Q 3的集电极和发射机断开,为挂机状态;电平时当Q4 基级为高电平时,Q3 的集电极和发射机饱和导通, 为摘机状态, 于是电话信号送入。

图10 模拟摘机检测电路图
而回铃音、忙音、线路错误音等电话进程音是载波为450Hz 的信号,各种信号不同的只是调制的周期、占空比不同,所以对这些信号的检测是检测450Hz 的信号的周期和占空比。该电路利用锁相环LM567 构成检测电路(LM567 的中心频率调为450Hz),当输入信号为450Hz 时候,LM567 输出低电平, 送入单片机利用软件区别各种信号, 其检测电路见图11 所示。

图11 回铃音检测电路图
4 程序流程图介绍
本课题总体流程图如图1 2 所示。

图12 总程序流程图
在这里着重说说主循环模块的流程图,见图13 所示。

图13 主循环流程图
5 结束语
本系统采用电话网络进行通信, 无须重新布线、方便、无电磁污染、环保、成本低;该系统经过调试,运行稳定可靠, 具有很好的实用价值。
射频工程师养成培训教程套装,助您快速成为一名优秀射频工程师...
天线设计工程师培训课程套装,资深专家授课,让天线设计不再难...
上一篇:LED数字电子钟的设计
下一篇:基于单片机STC89C52RC的汽车中网扫描灯设计

