请教各位高手一个低噪放大器的问题
录入:edatop.com 阅读:
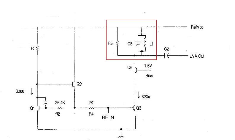
下图是一个cascode结构的低噪放大器 左边是镜像电流源提供偏置电流 右边Q6的基级加是一个偏置电压
在Q6的集电极(也就是红框内)还接一个RLC并联谐振器
请高手们指教一下这个做什么用的 多谢了

在Q6的集电极(也就是红框内)还接一个RLC并联谐振器
请高手们指教一下这个做什么用的 多谢了

把输出peaking到你想要的频率啊
那个电阻应该是起de-Q的作用,使得你的增益在带宽范围内变化不大
申明:网友回复良莠不齐,仅供参考。如需专业解答,请学习本站推出的微波射频专业培训课程。

