放大器的设计问题
录入:edatop.com 阅读:
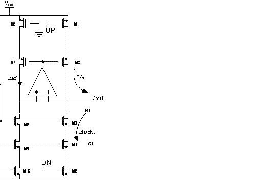
电路输入信号Up,Dn是3M的脉冲波,输出端的极点是23KHz,误差放大器比较输出端电压和另一个电压控制输出支路,那放大器GBW的选择要考虑什么因素,,它的增益又有什么要求呢?往常总是按照spec设计放大器,不知道spec怎么设,请大家赐教~

申明:网友回复良莠不齐,仅供参考。如需专业解答,请学习本站推出的微波射频专业培训课程。
上一篇:谁能简单解释解释PLL中的dead zone现象?
下一篇:引起该电路非线性的因素

