引起该电路非线性的因素
录入:edatop.com 阅读:
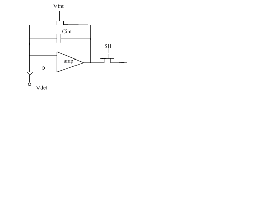
这是一个CTIA单元电路,放大器为典型的差分形式。引起该电路非线性有哪些因素?

申明:网友回复良莠不齐,仅供参考。如需专业解答,请学习本站推出的微波射频专业培训课程。
上一篇:放大器的设计问题
下一篇:一个很好的集成电路设计网站

