请教各位高手(自激振荡)
录入:edatop.com 阅读:
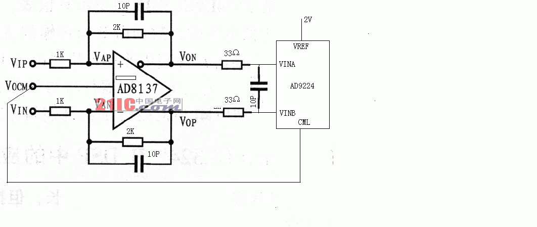
我用AD8137差分运放和AD9224完成光电数字转换功能,但是出现低频自激振荡(周期8ms),请问各位如何解决。

自激是环路问题,可以考虑破坏环路的特性,加高通?
不过解决问题还是应该先找到起因才好
建议你发一个比较清晰的图片,这样大家好可以给你具体分析 ,这张照片太模糊,
反馈补偿没搞对
一般的运放振荡问题,多半是反馈环路出了相位余量和增量余量不足造成的稳定性问题
全差分运放有两个反馈环路
差模反馈和共模反馈环路,这两个环路都要稳定才行。但实践上,要考虑寄生电容和补偿电容大小问题。还有测量问题,本来电路可能不振荡,你一测,它就振荡了,缘于测试仪器的探头有很大电容(14pf)
Nice ,I have no money
申明:网友回复良莠不齐,仅供参考。如需专业解答,请学习本站推出的微波射频专业培训课程。
上一篇:哪位高手帮帮忙对下图分析一下
下一篇:nmos比pmos噪声大100倍

