求助全差分运放op
求助全差分运放op,我弄得运放怎么仿真瞬态的时候 直流电平会分离啊,试了n种方法都不明白,球牛人帮忙解决哈






图1:ICMR:(仿真:采用op的基本结构,没有加任何外围器件,而且直接用零电阻短接输入端)
其次,tran:
图2:1、(仿真:采用op的基本结构,没有加任何外围器件,而且输入端接入互补的正弦信号如sin(1.25 1m 10K 0 0 0))
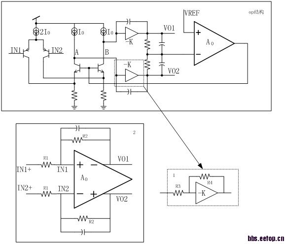
图4:2、(仿真:采用op的基本结构,虚线框中的部分用“1”模块代替,没有加任何外围器件,而且输入端接入互补的正弦信号如sin(1.25 1m 10K 0 0 0))
图5:3、(仿真:采用op的基本结构,外围器件如模块“2”,而且输入端接入互补的正弦信号如sin(1.25 1m 10K 0 0 0))
图3:4、(仿真:采用op的基本结构,外围器件如模块“2”,其中去掉R2,而且输入端接入互补的正弦信号如sin(1.25 1m 10K 0 0 0))
图6:OP的基本结构如图,仿真中ICMR,GAIN,PSRR,CMRR都能得到正确的结果,但是瞬态仿真就出问题了—op信号通路中直流电平分离。
问题:1、为什么在加入正弦信号时,A、B两点的电平会分离?
2、为什么加入电阻限定第二级增益之后,A、B两点的信号又正常了?
3、为什么外围加电阻限定op增益之后,信号正常,而用积分器接法,信号又不正常了(电平分离)?OP带宽?和输入信号带宽的关系?
这个不是很明白
带宽没有问题 主要是瞬态仿真时 电平分离确认电路参数左右对称么?电路对称的话应该不会出这个问题啊
做一下直流分析看看,应该能看出些问题来。我的电路也碰到了这个问题,很纠结,明天再去看看吧,做个DC,希望能看出问题
有电容没有并联电阻的情况么?
电容的initial电压值给个申明:网友回复良莠不齐,仅供参考。如需专业解答,请学习本站推出的微波射频专业培训课程。

