请教如何求一个单端运放的系统失调电压?
录入:edatop.com 阅读:
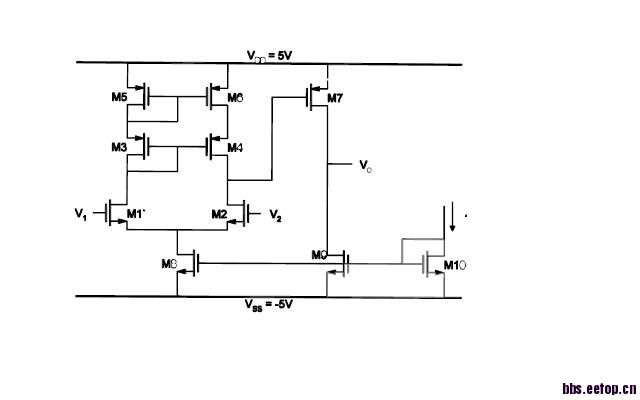
rt,在不考虑器件失配的情况下,在双入双出完全对称的运放系统失调电压应该没有吧,那对于双入单出运放该如何求系统失调电压呢? 比如说最简单的差分对有源负载运放如下图这种。
current mirror vds, second stage vth, Ibias
谢谢回复,但是是不是有一个关于Vos的参数表达式,还有就是怎么推出这个表达式的呢?
主要看他的静态直流工作点,还没见过你这种结构的差分运放
Thank you.
第二级一般要加一个源随吧,不然输出摆幅会变差的
申明:网友回复良莠不齐,仅供参考。如需专业解答,请学习本站推出的微波射频专业培训课程。
上一篇:老师让我选择研究方向,大家帮忙参谋一下吧
下一篇:拉扎维那本书上的题

