想請問關於,ota偏壓電源問題?
录入:edatop.com 阅读:

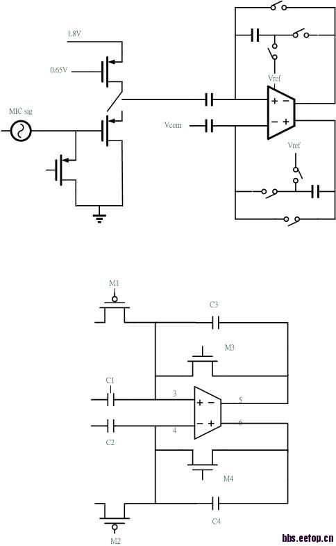
想問一下,下面的電路偏壓點設計想法是甚麼。
在模擬訊號放大的時候,所輸入的gate端偏壓電壓源都視為理想電壓源。
但實際上要如何加一個理想的電壓源在gate端呢?
好像有聽說過,訊號會從電壓源流掉,會嗎?

不需要加,全差分都有共模反馈来决定你的输入端偏执
可是我是用電容來放大訊號,反饋的直流會被電容擋住吧!
申明:网友回复良莠不齐,仅供参考。如需专业解答,请学习本站推出的微波射频专业培训课程。
上一篇:刚开始跑后仿,有些问题不太明白,望前辈们指教!谢谢!
下一篇:10 bit dac

