bandgap中电阻的选取?
录入:edatop.com 阅读:
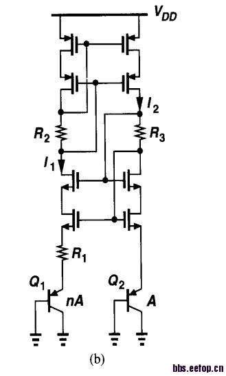
在做带隙时,电阻选用高阻负温度系数的poly,
这个电路中的R2和R3的类型也要选择阻负温度系数的poly吗?
谢谢
这个电路中的R2和R3的类型也要选择阻负温度系数的poly吗?谢谢
同问 顶一下
个人觉得不用R2和R3是为了偏置两个电流镜。它们的温度系数不出现在最后的带隙表达式中。所以无所谓用什么样的温度系数的电阻,当然前提必须是在全温范围内电流镜要能工作正常!
学习了
我觉得最好是选择同样类型的电阻,可以节省mask数量,省钱啊。
R2和R3维持适当的电压,使得所有管子都在饱和区。大小可以用5k和8k
以前碰到过一个用R 和VBE作为温度补偿量的BANDGAP, 记得好像是用RNHRPOLY-SAB电阻,刚好是个正温度系数的电阻,这样做可以降低功耗,但PSRR较差. 一般的BANDGAP中只要所有的R的温度一致就可以了,但是电阻的精度尽量要高些.
PTAT current = delta VBE / R1
R1 是負溫度係數的話, PTAT 的電流較大
VREF = PTAT current * RV + VBE, RV 就可以用小一點的電阻
申明:网友回复良莠不齐,仅供参考。如需专业解答,请学习本站推出的微波射频专业培训课程。
上一篇:菜鸟求助:如何选择MOS管的L值
下一篇:求助大虾们关于高通滤波器仿真的问题

