allen 书上折叠运放设计中的一个小问题
录入:edatop.com 阅读:

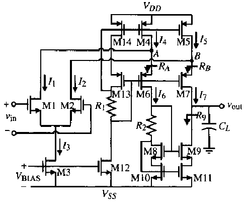
设计M6和M7的宽长比时,allen中文版P247最下面一行,说假设M6和M7电流处于最坏情况,为什么这里M6和M7的电流值要取最坏情况(I6=I7=125u)?
SR限制时
如二楼所述,最坏情况时,M6,M7需要流过M4,M5的所有电流125uA。
不明白。或者另一种问法,为什么在这个电路中需要用最坏情况的电流?3q
嗯,不用最坏情况,该管子需要流过的最大电流。
所谓SR时。
多學了一些
感謝
申明:网友回复良莠不齐,仅供参考。如需专业解答,请学习本站推出的微波射频专业培训课程。

