LDO中p输入管运放和n输入管运放的优劣对比
录入:edatop.com 阅读:

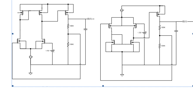
PMOS调整管的栅偏置电压为低电平,是否采用P管输入方便些,也有利于减小P调整管面积。仅供参考。
这是以前面试的老提
也可以从PSRR角度考虑,可以看Mora的那本LDO的书
申明:网友回复良莠不齐,仅供参考。如需专业解答,请学习本站推出的微波射频专业培训课程。
上一篇:tsmc0.25工艺做calibre的lvs,原理图netlist不识别电容,管子类型
下一篇:有仿真过耗尽型MOS管的吗?

