开关调谐电感结构VCO设计问题求解
录入:edatop.com 阅读:

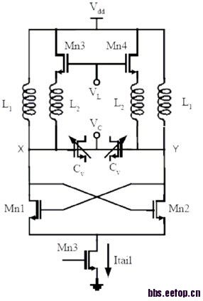
求大神分析下该VCO,频率带宽,相位噪声,Q值大小方面的缺点。
这个应该是开关电感结构吧?用于产生两个频段上的VCO。频率范围主要有:(CV, L1)(CV, L1, L2),它的特点就在于Mn3和Mn4控制电感接入还是未接入。另外L1、L2要是在版图上有特色的话,应该有一定创新的。其实很多论文是有测试结果就好发了。
kankan...............
用开关电感结构 势必有面积大的缺点 ,而且切换的电感的Q值完全依赖去开关管的尺寸
版图好大哟
申明:网友回复良莠不齐,仅供参考。如需专业解答,请学习本站推出的微波射频专业培训课程。
上一篇:差分比较器的翻转电平问题
下一篇:知道运放的建立周期怎么算单位增益带宽

