PLL仿真结果的分析
录入:edatop.com 阅读:
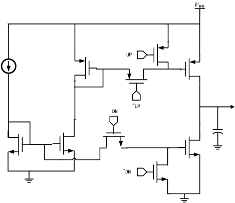
如图所示是我仿真PLL时控制电压的输出结果,我觉得奇怪的是Vtrl的值应该是从0V开始上升,可是我这里却是从电源电压开始下降,可是我并没有在仿真的时候给予Vtrl一个初始值,照理说应该是0V才对呀,还是说由于一开始CP没有工作,CP所有的管子都不工作,使得输出就是为电源电压?CP的电路图如上所示,请各位同学帮我看看!感激不敬!
电路可能有多个简并点,仿真的时候最好初始化一下
为什么是从10us vc才开始下降,即便vc初始值为vdd,那也应该使能之后就开始有下降的趋势啊,感觉是不是哪个信号设置的有点问题,
给vc赋 一下初始值0 看咋样
你的电路有可能是初始CHP截止状态时PLL-UP比PULL-DN强,所以就把VC拉高了
这个电路里应该不存在简并点的问题吧,难道在CP电路里面再添加一个启动电路?
这个仿真结果就是VC=0的时候,应该是我的CP一开始就没工作?
我也觉得应该是CP出问题了,
但是我不知道应该怎么调节才能有这样接近的输出,但是我的管子电压稍微变化,电流的变化也很大。应该如何调节呢?
申明:网友回复良莠不齐,仅供参考。如需专业解答,请学习本站推出的微波射频专业培训课程。
上一篇:大神进来看看,如果能解决问题,可适当报酬,关于开关电容的
下一篇:ic614是通过ic610升级的,还是必须要重新安装?

