怎么通过螺旋电感的等效电路计算它的电感呢?
录入:edatop.com 阅读:

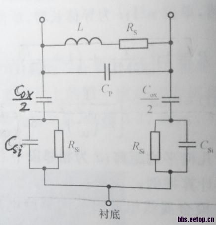
这是那本射频书上的等效电路图,我截了下来,假设图中的参数都是计算好的。
书后有道题要计算该电感的Q值和自谐振频率,还说“计算Q和自谐振频率时将电感的一端接地”。该怎么算啊,一端接地是什么意思?图中最下面接了衬底,算是接地吗?还是说接成下面一样?可是我按照下面的接法算出来和答案不一样。
首先第一个问题,把电路的等效阻抗Z求出来,它的虚部就是等效的电感值;
第二个问题,电感的一端接地相当于是与衬底之间只有一个支路,也就是两个表征衬底寄生效应的支路只有一个了。希望可以帮到你
申明:网友回复良莠不齐,仅供参考。如需专业解答,请学习本站推出的微波射频专业培训课程。

