带隙基准疑问,求大神指点!
[attach]509125[/attach]如图中的带隙基准电路,有以下两个个疑问:
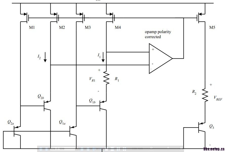
1、三极管Q1a、Q2a的作用是什么?
2、运放的两个输入端是怎么实现“虚短”的?运放的两个输入端不就是两个差分输入端吗,为什么说这两个端的电压就必须要一样了,如果一样了差分放大器还怎么放大差模信号?很疑惑!不好意思,图为:
~~~难道大家都是一看书就明白的?难道看书不懂的就不能问?~~~
小编图挂了。还有你的问题可以在拉扎维将带隙基准那一章找到
图呢?
关于虚短虚短是建立在理想放大器增益无穷大的前提下,一般放大器有个60db的增益也能放大1000倍,效果足以近似为理想放大器。通过负反馈网络可以使两个输入端的电位趋近于一致。
以上是模拟电路的基础内容。显然你基础很不扎实。
三极管实际上是二极管,用的PN结饱和电流获得正比例温度系数。而电阻所限定的电流为负温度系数,这两个系数通过三极管的发射极面积之比N可以调节到对消。从而获得几乎与温度无关的电流。
以上都是书上原原本本写的。多看书,孩子。这论坛里真正有本事的人看到你这种书都不看就来提问的人都懒得回复的。
我现在还是学生阶段,基础确实不好,不过正在抓紧努力中。上面那个是艾伦书课后的一个习题,你说的正温、负温系数的电压我是清楚的,但是图中是两层BJT管子,原理上用一层就够了。答案上说的是为了减小运放失调电压的影响,我想问的是怎么减小失调电压影响的,具体过程怎么分析;关于运放输入端虚短,书上就直接说的”利用运放虚短的特性,输入端电位接近相等“,我想问的是为什么会有这个特性,您说的是负反馈造成的,我觉得也是,但是不知道具体过程是怎么用负反馈推导出虚短的。
还望能具体解释下,谢谢!
还有,Vbe应该是负温系数电压,电阻上的电压是正温系数电压吧。
大哥书上都有的东西就不用在这里问了
我说的是电流。
1、理想运放的基本特性回去翻模电书。算了还是帮你写出来吧,当负反馈量为f,增益为A,输入信号为Vin,输出信号为Vout,有等式:
(Vin-Vout*f)*A=Vout,当A→∞,自己算Vin和Vout的关系。
2、共模电平偏离放大器的工作的中心电位越远,失调越大。用两级PN结串联,提高共模电平至两倍VBE。从而减小失调。
串联增加2倍delta Vbe
谢谢,PTAT电流:(△Vbe-Vos)/R1,当变为两倍△Vbe 时,Vos部分就相对更小,影响更小了。
申明:网友回复良莠不齐,仅供参考。如需专业解答,请学习本站推出的微波射频专业培训课程。

