共源共栅输入阻抗为负数,求大神指导
录入:edatop.com 阅读:
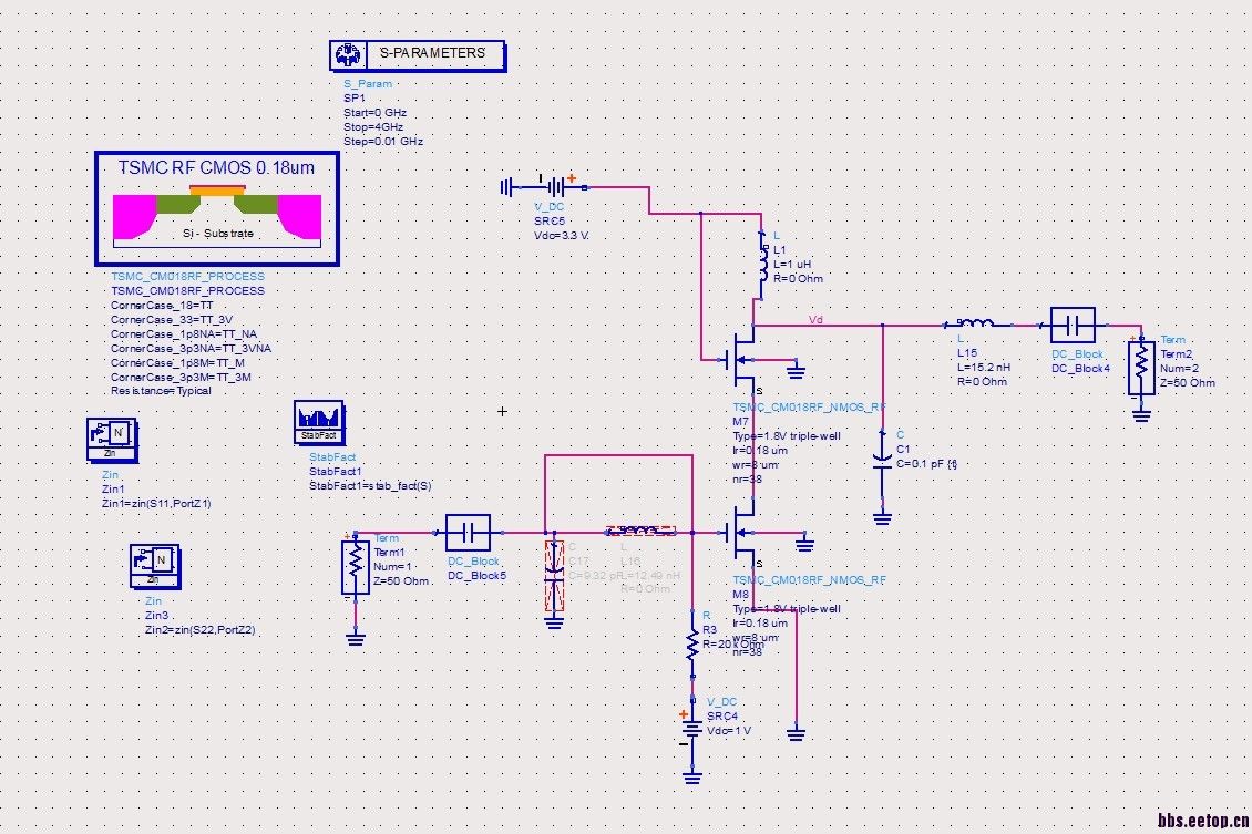
各位大侠 我在做一个功放 输出端暂时按照共轭匹配 但是做输入端的时候 发现输入阻抗实部竟然是负的 放在cadence的标准库中求 同样的结果 求各位大侠指点啊 内牛满面


跪求高人指点啊
顶啊 跪求指导啊
顶啊 顶啊
PA由于Cgd很大,出现instability不出奇。
1、可用串联RC反馈改善稳定性;
2、减小output match的Q值(L减小,C增加);
3、建议带上source的bondwire电感,另外输出端也不应该用共轭匹配;
4、在source或者gate端串联小电阻增加稳定性(牺牲一些增益和效率)。
万分感谢大神的回复!泪流满面, 跪谢!
申明:网友回复良莠不齐,仅供参考。如需专业解答,请学习本站推出的微波射频专业培训课程。
上一篇:一个用耗尽形管设计的电路
下一篇:请教一个关于低通滤波器的问题

