PTAT电流源求解释

2013-9-26 12:59
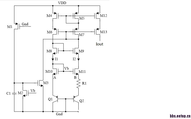
采用如图所示的PTAT电流源对环形振荡器进行偏置,为了能在片外改变偏置电流的大小,R1通过两个IO口外接,流片测试后发现环形振荡器振荡出来的波形有抖动,在R1两端并上0.1uF的电容后抖动更加严重,很明显是IO口的寄生电容导致了偏置电路不稳定,为什么R1两端的电容会导致偏置电路受干扰,求解释?
是这样的:这个结构有正反馈和负反馈,理论上是要保证正反馈系数小于负反馈系数,即要求gmn10,11>1/R1。
但也可以在正反馈系数大于负反馈系数情况下使用,但一定要保证总环路增益小于1,即:gmn11/{1+gmn11*(R+1/gmpnp)//(1/cs)}<1.现在呢你寄生电容导致这个增益在高频时接近1.就振荡了。
总环路增益写错了,分子没有gmn11,是1.
你可以用stb仿真上面的环路,验证。
环路增益虽然接近1,但不大可能达到振荡的条件等于1吧,另外,环路是个正反馈,直流时环路的相移为0,有在高频振荡的可能吗?STB仿真稍后给出。

2013-9-26 20:06
STB仿真见图,确实存在增益大于0dB的情况。这样看来的话,有振荡的可能性。这种情况一般怎么用瞬态仿真来体现呢?
你加上bonding 线大约有多长?加上bonding 线电感和pad寄生电容,跑下电源上电的过程。
电路是否稳定是不是瞬态仿真不一定能仿真出来,还是得靠交流仿真?设计时以5pF仿真过STB和瞬态的,看来错误地估计了寄生电容的大小。主要是R1上面那个管脚在高频时对地直接短路了,局部负反馈降低,不知道有没有什么补救的办法?
没仿真出来是因为你仿真条件和实际情况不同
求问有什么补救的办法么,基准不对,芯片都没法测了
M10和M11周围有dummy管么?你们能做FIB么?
”为了能在片外改变偏置电流的大小,R1通过两个IO口外接“这个方案谁给出来的?太失败了,
dummy 倒是有,不过fib是不大可能了,哎,设计时考虑不周啊。
不能fib,那几乎没法了。你这个振荡也可能与osc 振荡kickback 回来的抖动(ΔI) 经过这个不是很稳定的环路及寄生电感作用(由电感ΔI产生ΔV)产生的。
嗯,多谢了!还是经验不足,得向大家学习啊。

2013-9-26 12:59
采用如图所示的PTAT电流源对环形振荡器进行偏置,为了能在片外改变偏置电流的大小,R1通过两个IO口外接,流片测试后发现环形振荡器振荡出来的波形有抖动,在R1两端并上0.1uF的电容后抖动更加严重,很明显是IO口的寄生电容导致了偏置电路不稳定,为什么R1两端的电容会导致偏置电路受干扰,求解释?
是这样的:这个结构有正反馈和负反馈,理论上是要保证正反馈系数小于负反馈系数,即要求gmn10,11>1/R1。
但也可以在正反馈系数大于负反馈系数情况下使用,但一定要保证总环路增益小于1,即:gmn11/{1+gmn11*(R+1/gmpnp)//(1/cs)}<1.现在呢你寄生电容导致这个增益在高频时接近1.就振荡了。
总环路增益写错了,分子没有gmn11,是1.
你可以用stb仿真上面的环路,验证。
环路增益虽然接近1,但不大可能达到振荡的条件等于1吧,另外,环路是个正反馈,直流时环路的相移为0,有在高频振荡的可能吗?STB仿真稍后给出。

2013-9-26 20:06
STB仿真见图,确实存在增益大于0dB的情况。这样看来的话,有振荡的可能性。这种情况一般怎么用瞬态仿真来体现呢?
你加上bonding 线大约有多长?加上bonding 线电感和pad寄生电容,跑下电源上电的过程。
电路是否稳定是不是瞬态仿真不一定能仿真出来,还是得靠交流仿真?设计时以5pF仿真过STB和瞬态的,看来错误地估计了寄生电容的大小。主要是R1上面那个管脚在高频时对地直接短路了,局部负反馈降低,不知道有没有什么补救的办法?
没仿真出来是因为你仿真条件和实际情况不同
求问有什么补救的办法么,基准不对,芯片都没法测了
申明:网友回复良莠不齐,仅供参考。如需专业解答,请学习本站推出的微波射频专业培训课程。
上一篇:flash ADC 参考电压产生网络
下一篇:DLL lock的问题

