滤波器中噪声等效到输入端输出端问题
录入:edatop.com 阅读:
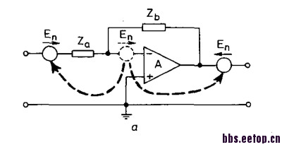
图片是论文:noise analysis of second -oder analogue active filters中的
我想问的是噪声En如何等效到输入和输出端的,我能用数学公式推导出等效关系,但如何从物理层面解释呢?
等待小编和各位大大们解释了~谢谢乐了
我想问的是噪声En如何等效到输入和输出端的,我能用数学公式推导出等效关系,但如何从物理层面解释呢?
等待小编和各位大大们解释了~谢谢乐了

dengxiaozhishuchu chuyi zengyi
你说的这个是等效输入噪声啊, 那输出端的那个En算怎么回事呢
申明:网友回复良莠不齐,仅供参考。如需专业解答,请学习本站推出的微波射频专业培训课程。
上一篇:拉扎维书上的疑问
下一篇:PLL整体相位噪声问题

