怎么理解charge pump中charge sharing ?
录入:edatop.com 阅读:

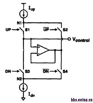
如图所示,不加单位增益运放时,N1和N2节点的电压也不会变化很大,那么为什么需要加单位增益运放来减小电荷共享呢?请大神们讲解一下,多谢~
没人帮帮忙吗?
申明:网友回复良莠不齐,仅供参考。如需专业解答,请学习本站推出的微波射频专业培训课程。
上一篇:MATLAB simulink下的频谱分析问题
下一篇:环形振荡器输出波形有尖峰

