带隙基准温度曲线问题
有谁知道为什么我的二阶曲率补偿电路不起作用?
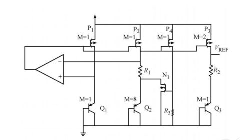
我的电路图如下:

其中,N1、R3、P4是二阶曲率补偿电路。
有谁按照这个电路仿出正弦型温度曲线的吗?非常希望与大家交流这个问题。
我的运放的内部结构如下:
是正弦的阿,可能是你的曲率补偿的电流不够大
为什么是阶梯形的抛物线?这个怎么改正了?是那出问题了?
看不到电路!
已更新
上面的电路图已更新,不知道大家现在能不能看见?
好难啊
这个二阶曲率补偿的原理:
N1偏置在亚阈值区,N1对流过R1的电流分流,当温度升高时,N1的栅源电压增大,N1电流增大,PTAT分量减小,达到校正的效果。
不知道 libinphy 用的是什么样的电路,仿出了正弦温度曲线?
libinphy ,能把你的电路图贴出来吗?
RE:带隙二阶曲率补偿
因看不见你的电路,不能多做评论,但愿下面信息能供你参考:
若仿真出了下凹的曲线,说明这个电路确有二阶补偿功能,只不过你的参数选择有问题,如果你将扫描的温度范围扩大(如果电路能在更宽的范围仿真的话,有的运放偏置不好不能正常工作在高温或低温下面)可能就看见正弦的曲线了,这样的话这个电路调整参数后就能在你关心的温度范围内得到二阶校正的曲线,如果不能,说明校正过多,有可能要改结构了。
个人认为P2应该结成偏置电流源,核查你N1有没有导通,N1的电流是不是太小.
我的电路图现在应该能看见了吧,我更新了的。
N1工作在亚阈值区,电流不应该很大,可是我适当调大了R3之后,温度曲线并没有多少变化,我是从-40度仿到125度的
yefengear,按照你说的,你是仿出过正弦温度曲线的了?
受益匪浅
阿赫赫
温度必须仿那么大范围吗
此图片仅限于网易用户交流使用!
所以你的图片只有部分人能看到。
看不见电路图
大家在这个链接:http://blog.163.com/e_yql2004/
里看电路图吧。
为什么图看不到?
附件里面是我的电路图,不要钱的。


大家给点建议吧,我快急死了。我把仿真温度范围扩大了,温度曲线仍然是开口向上的抛物线。
不是很懂
运放的极行弄反了!再仿真看看.
需要加控制语句
hspice吧问下小编,图是用什么工具画的,很清楚。
顺便说下,小编毕设做这个好像简单了点吧。是硕士吗?是用hspice做的,是本科毕业设计。能说一下加什么控制语句吗?
一点都不简单。难道你已经仿出正弦温度曲线来了?
最基本的电路,不会有什么问题,用.35/.25/.18都实现过,1.2V最大偏差40mV,50ppm左右的温度系数
你首先检查运放的极性接对了没有,照你的图,极性接反了;
如果运放设计好了,直接扫描电阻比值就可以申明:网友回复良莠不齐,仅供参考。如需专业解答,请学习本站推出的微波射频专业培训课程。

